LEMON Manuals: Even more car manuals for everyone: 1960-2025
Home >> Toyota >> 2016 >> 4Runner TRD Pro >> Repair and Diagnosis >> Engine Performance >> System >> Engine Control System - Diagnostics - Introduction (1 Of 2) >> SFI System >> System Diagram [08/2015 - 08/2019] >> System Diagram [08/2015 - 08/2019]
April 5, 2026: LEMON Manuals is launched! Read the announcement.

System Diagram [08/2015 - 08/2019]

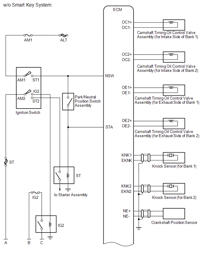
Fig 1: SFI System Wiring Diagram (W/O Smart Key System) [08/2015 - 08/2019] (1 Of 7)
GTY438288Courtesy of © TOYOTA, LICENSE AGREEMENT TMS1002
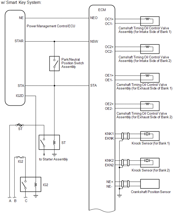
Fig 2: SFI System Wiring Diagram (W/ Smart Key System) [08/2015 - 08/2019] (2 Of 7)
GTY453495Courtesy of © TOYOTA, LICENSE AGREEMENT TMS1002
Fig 3: SFI System Wiring Diagram [08/2015 - 08/2019] (3 Of 7)
GTY731465Courtesy of © TOYOTA, LICENSE AGREEMENT TMS1002
Fig 4: SFI System Wiring Diagram [08/2015 - 08/2019] (4 Of 7)
GTY715126Courtesy of © TOYOTA, LICENSE AGREEMENT TMS1002
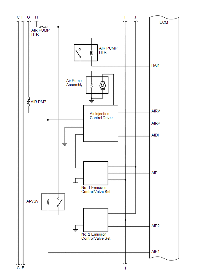
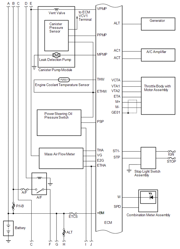
Fig 5: SFI System Wiring Diagram [08/2015 - 08/2019] (5 Of 7)
GTY439698Courtesy of © TOYOTA, LICENSE AGREEMENT TMS1002
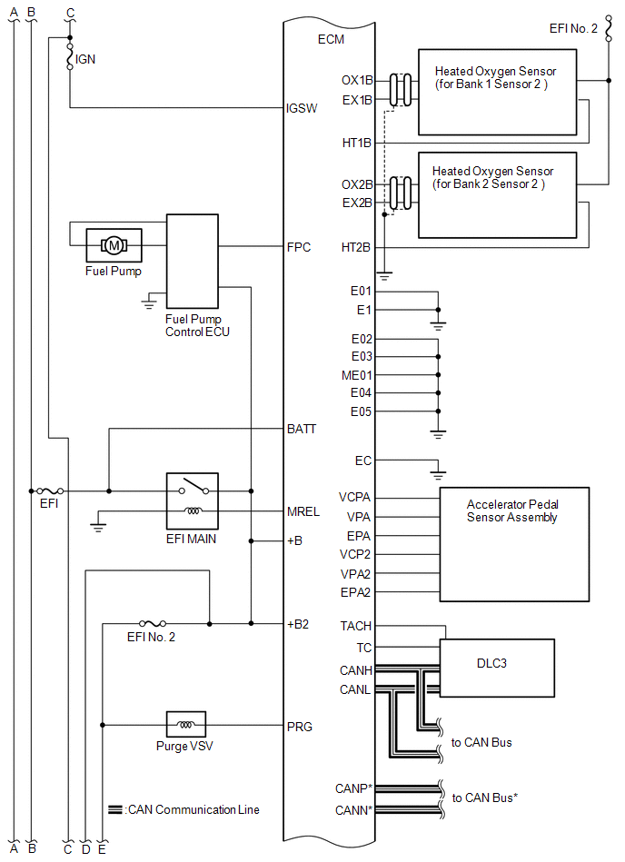
Fig 6: SFI System Wiring Diagram [08/2015 - 08/2019] (6 Of 7)
GTY453499Courtesy of © TOYOTA, LICENSE AGREEMENT TMS1002
Fig 7: SFI System Wiring Diagram [08/2015 - 08/2019] (7 Of 7)
GTY735366Courtesy of © TOYOTA, LICENSE AGREEMENT TMS1002