LEMON Manuals: Even more car manuals for everyone: 1960-2025
Home >> Toyota >> 2016 >> Avalon XLE Plus >> Repair and Diagnosis (Single Page) >> Restraints >> Air Bag, SRS >> Occupant Classification System - Diagnostics - Introduction - (Except Hybrid) >> Occupant Classification System >> System Diagram [10/2014 - ] >> System Diagram [10/2014 - ]
April 5, 2026: LEMON Manuals is launched! Read the announcement.

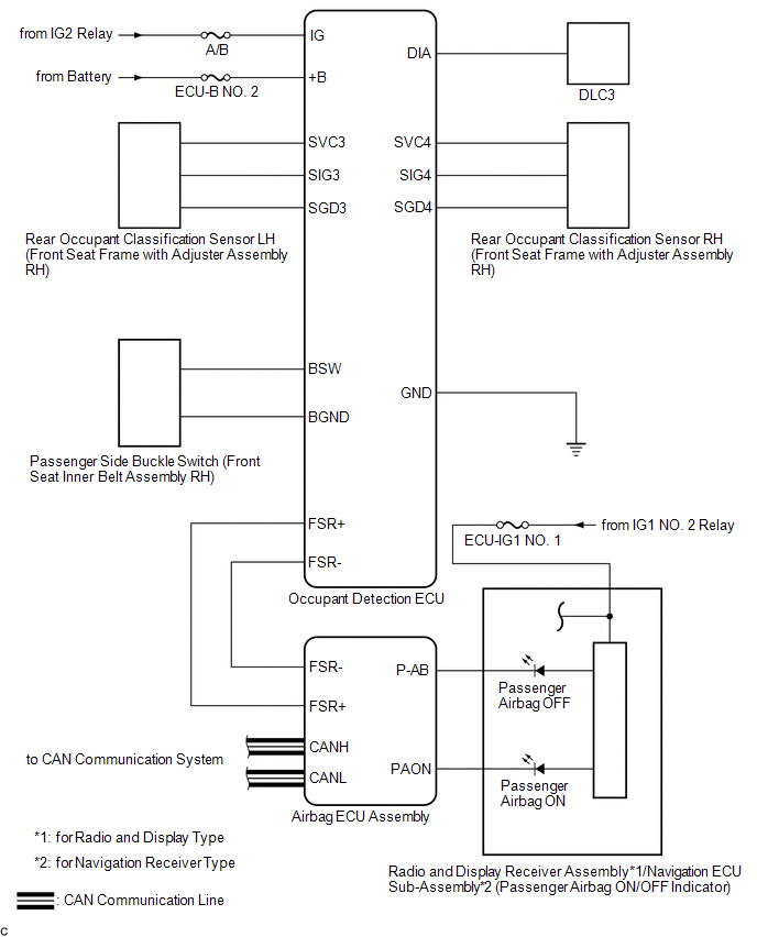
System Diagram [10/2014 - ]

GTY606717Courtesy of © TOYOTA, LICENSE AGREEMENT TMS1002