LEMON Manuals: Even more car manuals for everyone: 1960-2025
Home >> Toyota >> 2016 >> Corolla L, Automatic Trans >> Repair and Diagnosis >> Brakes >> Traction Control >> Anti-Lock Brake System - Diagnostics - Introduction (Model Code: ZRE172) >> Anti-Lock Brake System >> System Diagram [04/2014 - 08/2017] >> System Diagram [04/2014 - 08/2017]
April 5, 2026: LEMON Manuals is launched! Read the announcement.

System Diagram [04/2014 - 08/2017]

Fig 1: Antilock Brake Circuit Diagram (1 Of 4)
GTY438217Courtesy of © TOYOTA, LICENSE AGREEMENT TMS1002
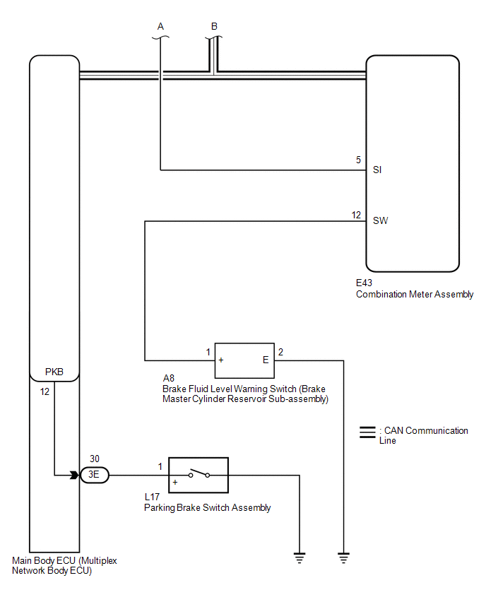
Fig 2: Antilock Brake Circuit Diagram (2 Of 4)
GTY437647Courtesy of © TOYOTA, LICENSE AGREEMENT TMS1002
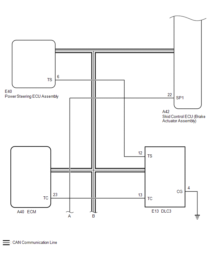
Fig 3: Antilock Brake Circuit Diagram (3 Of 4)
GTY454771Courtesy of © TOYOTA, LICENSE AGREEMENT TMS1002
Fig 4: Antilock Brake Circuit Diagram (4 Of 4)
GTY440182Courtesy of © TOYOTA, LICENSE AGREEMENT TMS1002
Transmitting ECU (Transmitter) Receiving ECU Signal Communication Method
ECM Skid control ECU (Brake actuator assembly)
  • Shift position signal
  • Throttle position signal
  • Engine speed signal
  • Diagnosis (TC terminal) signal
CAN communication line
Power steering ECU assembly Skid control ECU (Brake actuator assembly) Sensor check (TS terminal) signal CAN communication line
Main body ECU (Multiplex network body ECU) Skid control ECU (Brake actuator assembly) Parking brake switch signal CAN communication line
Skid control ECU (Brake actuator assembly) Combination meter assembly
  • ABS warning light signal
  • Brake warning light signal
  • Wheel speed signal
CAN communication line