LEMON Manuals: Even more car manuals for everyone: 1960-2025
Home >> Toyota >> 2016 >> Corolla L, Standard Trans >> Repair and Diagnosis >> External Pages >> Different variant/trim >> Section 8 (Engine Control System (2ZR-FAE) - Diagnostics - Introduction (Model Code: ZRE172)) >> SFI System >> System Diagram [08/2013 - 08/2016] >> System Diagram [08/2013 - 08/2016]
April 5, 2026: LEMON Manuals is launched! Read the announcement.

System Diagram [08/2013 - 08/2016]

WARNING: This page is about a different variant/trim than selected.
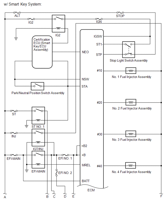
Fig 1: SFI System Circuit Diagram (1 Of 5)
GTY472678Courtesy of © TOYOTA, LICENSE AGREEMENT TMS1002
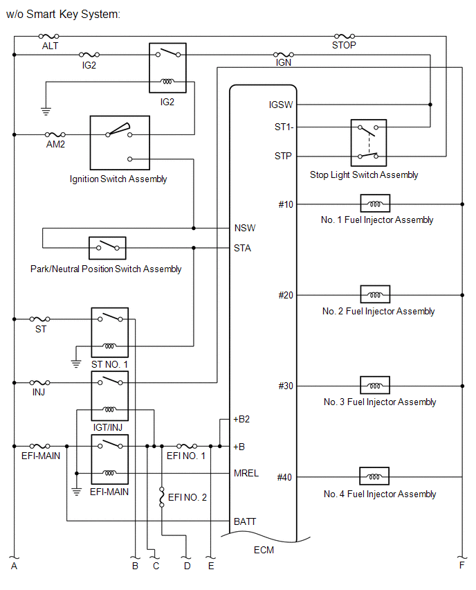
Fig 2: SFI System Circuit Diagram (2 Of 5)
GTY481397Courtesy of © TOYOTA, LICENSE AGREEMENT TMS1002
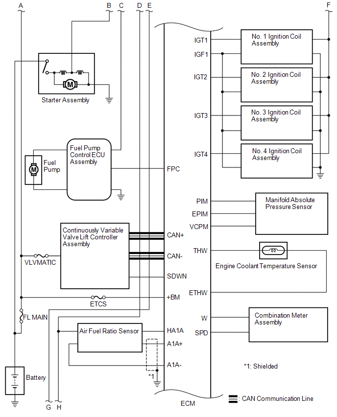
Fig 3: SFI System Circuit Diagram (3 Of 5)
GTY445295Courtesy of © TOYOTA, LICENSE AGREEMENT TMS1002
Fig 4: SFI System Circuit Diagram (4 Of 5)
GTY424660Courtesy of © TOYOTA, LICENSE AGREEMENT TMS1002
Fig 5: SFI System Circuit Diagram (5 Of 5)
GTY473777Courtesy of © TOYOTA, LICENSE AGREEMENT TMS1002