LEMON Manuals: Even more car manuals for everyone: 1960-2025
Home >> Toyota >> 2016 >> Corolla S, Standard Trans >> Repair and Diagnosis >> Body & Frame >> Windows >> Power Window Control System - Diagnostics - Introduction (Model Code: ZRE172) >> Power Window Control System >> System Diagram [08/2013 - ] >> System Diagram [08/2013 - ]
April 5, 2026: LEMON Manuals is launched! Read the announcement.

System Diagram [08/2013 - ]

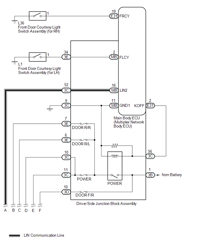
Fig 1: Power Window Control System Circuit Diagram (1 Of 2)
GTY445237Courtesy of © TOYOTA, LICENSE AGREEMENT TMS1002
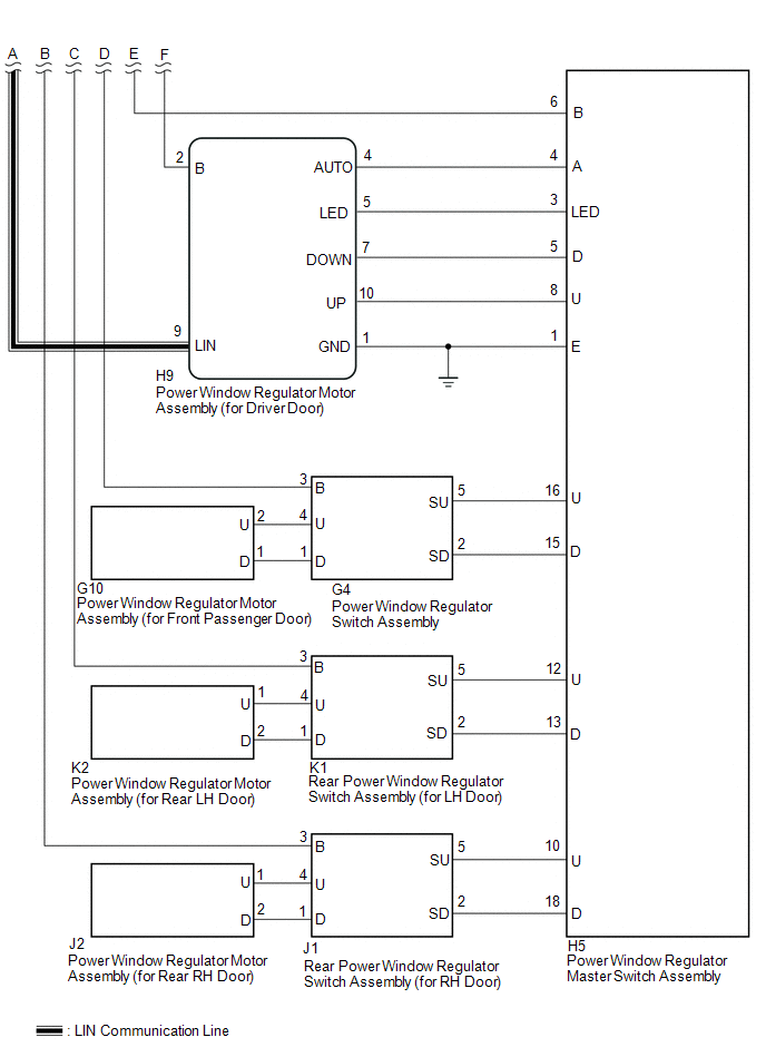
Fig 2: Power Window Control System Circuit Diagram (2 Of 2)
GTY448860Courtesy of © TOYOTA, LICENSE AGREEMENT TMS1002
COMMUNICATION TABLE

Transmitting ECU Receiving ECU Signal Communication Method
Main Body ECU (Multiplex Network Body ECU) Power Window Regulator Motor Assembly (for Driver Door) Power window operation permission signal LIN