LEMON Manuals: Even more car manuals for everyone: 1960-2025
Home >> Toyota >> 2016 >> Corolla S, Standard Trans >> Repair and Diagnosis >> External Pages >> Different variant/trim >> Section 32 (Charging System (2ZR-FAE) - Diagnostics - Introduction (Model Code: ZRE172)) >> Charging System >> System Diagram [08/2016 - ] >> System Diagram [08/2016 - ]
April 5, 2026: LEMON Manuals is launched! Read the announcement.

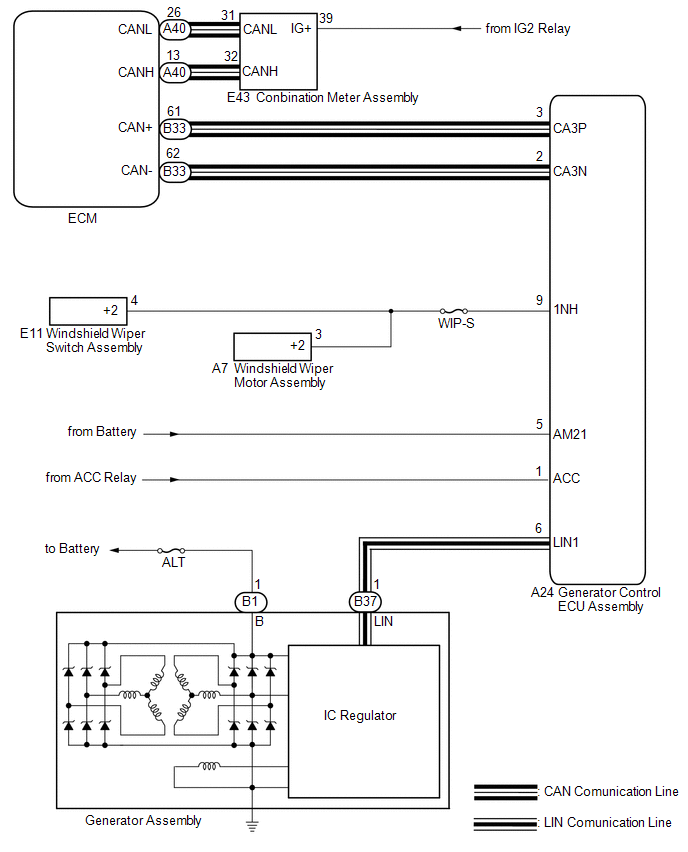
System Diagram [08/2016 - ]

WARNING: This page is about a different variant/trim than selected.
Fig 1: Charging System Circuit Diagram
GTY722176Courtesy of © TOYOTA, LICENSE AGREEMENT TMS1002