LEMON Manuals: Even more car manuals for everyone: 1960-2025
Home >> Toyota >> 2016 >> Prius C Four >> Repair and Diagnosis >> Body & Frame >> Windows >> Power Window Control System - Diagnostics - Introduction >> Power Window Control System >> System Diagram [11/2015 - ] >> System Diagram [11/2015 - ]
April 5, 2026: LEMON Manuals is launched! Read the announcement.

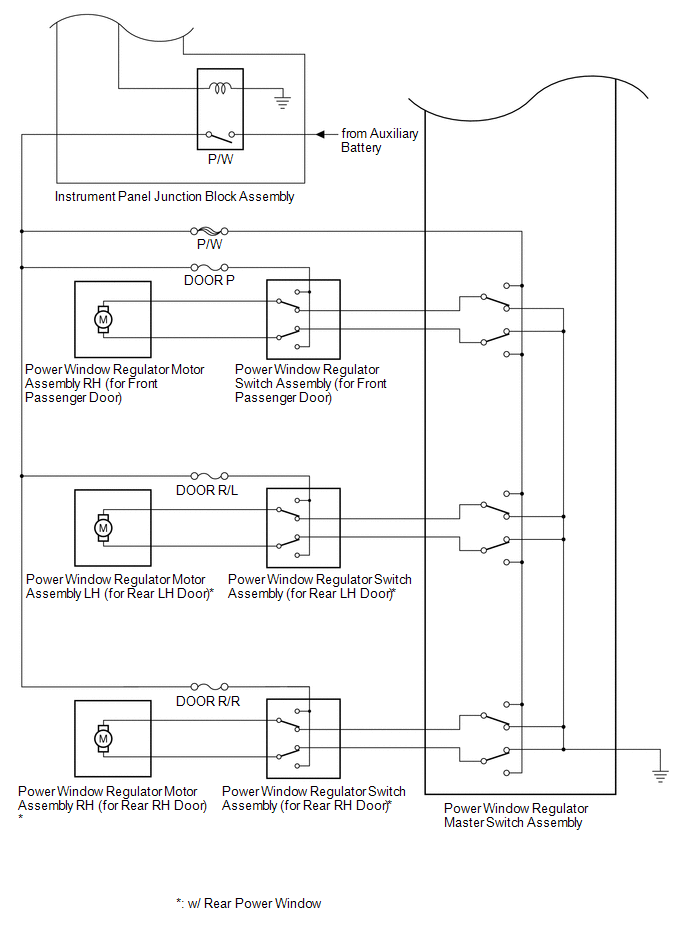
System Diagram [11/2015 - ]

GTY337870Courtesy of © TOYOTA, LICENSE AGREEMENT TMS1002
GTY327109Courtesy of © TOYOTA, LICENSE AGREEMENT TMS1002
COMMUNICATION TABLE

Transmitting ECU Receiving ECU Signal Communication Method
Main Body ECU (Multiplex Network Body ECU) Power Window Regulator Motor Assembly LH (for Driver Door) Power window operation permission signal LIN