LEMON Manuals: Even more car manuals for everyone: 1960-2025
Home >> Toyota >> 2016 >> RAV4 LE, AWD >> Repair and Diagnosis (Single Page) >> Steering >> Steering Column >> Steering Lock System - Diagnostics - Introduction - (Except Hybrid) >> Steering Lock System >> System Diagram [12/2012 - ] >> System Diagram [12/2012 - ]
April 5, 2026: LEMON Manuals is launched! Read the announcement.

System Diagram [12/2012 - ]

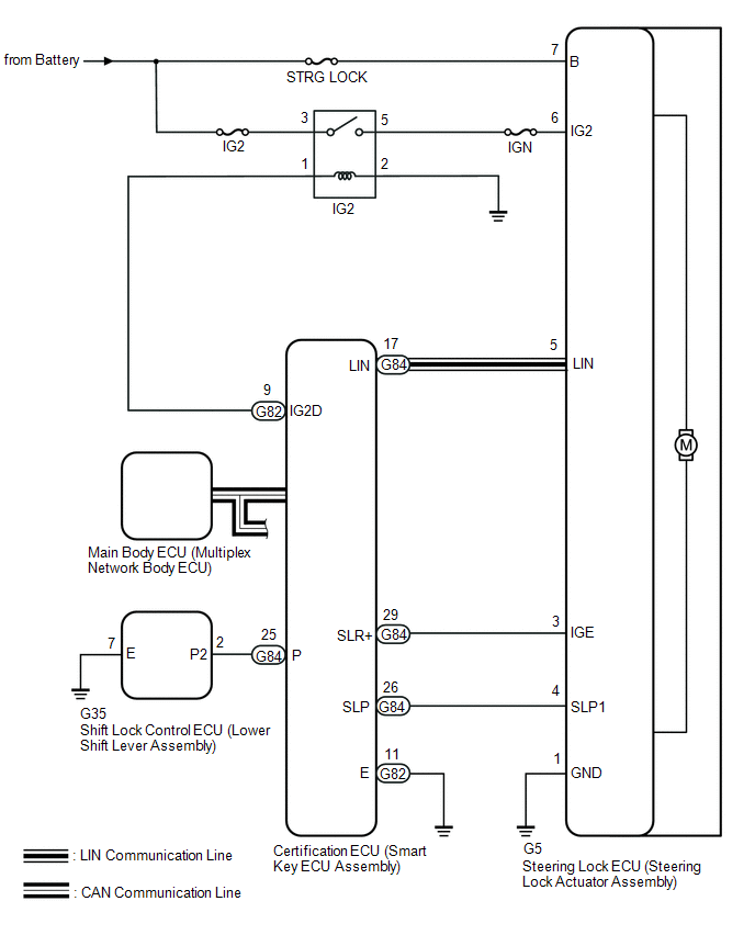
Fig 1: Steering Lock System Diagram
GTY370189Courtesy of © TOYOTA, LICENSE AGREEMENT TMS1002
CIRCUIT DESCRIPTION

Component Outline
Steering Lock ECU (Steering Lock Actuator Assembly) The steering is locked and unlocked by communicating with the certification ECU (smart key ECU assembly) via LIN communication.
When the following conditions are met, the steering can be unlocked.
  • The codes (L codes) of the certification ECU (smart key ECU assembly) and steering lock match.
  • The certification ECU (smart key ECU assembly) and key ID codes match.
Certification ECU (Smart Key ECU Assembly) The ID code of the key the user is carrying is sent to the electrical key antenna.
The certification ECU (smart key ECU assembly) compares the key ID code it receives from the electrical key antenna with its own ID code. If they match, the certification ECU (smart key ECU assembly) permits the steering lock ECU to turn the power on, start the engine and unlock and lock the steering.
Outputs a command to supply power to the steering lock motor based on the power source mode, shift position and vehicle speed signal.