LEMON Manuals: Even more car manuals for everyone: 1960-2025
Home >> Toyota >> 2016 >> Sienna LE, AWD >> Repair and Diagnosis (Single Page) >> Engine Performance >> Testing & Diagnosis >> Engine Control System [2GR-FE] - Diagnostic Codes (1 Of 3) >> SFI System >> DTC P0112: Intake Air Temperature Circuit Low Input; DTC P0113: Intake Air Temperature Circuit High Input [12/2015 - 08/2016] >> Procedure
April 5, 2026: LEMON Manuals is launched! Read the announcement.

DTC P0112: Intake Air Temperature Circuit Low Input; DTC P0113: Intake Air Temperature Circuit High Input [12/2015 - 08/2016]: Procedure

  1. READ VALUE USING TECHSTREAM (INTAKE AIR) 
    1. Connect the Techstream to the DLC3.
    2. Turn the ignition switch to ON.
    3. Turn the Techstream on.
    4. Enter the following menus: Powertrain / Engine / Data List / Intake Air.
    5. Read the value displayed on the Techstream.

      OK

      Same as actual intake air temperature.

      RESULT

      Result Proceed to
      Displayed temperature is -40°C (-40°F) A
      Displayed temperature is higher than 128°C (262°F) B
      Same as actual intake air temperature C

      HINT: 

      • If there is an open circuit, the Techstream indicates -40°C (-40°F).
      • If there is a short circuit, the Techstream indicates higher than 128°C (262°F).

    Result: 

    See step  4

    Result: 

    CHECK FOR INTERMITTENT PROBLEMS 

    (Refer to CHECK FOR INTERMITTENT PROBLEMS [12/2015 - 08/2016] )

    Result: 

    See step  2

  2. READ VALUE USING TECHSTREAM (CHECK FOR OPEN IN WIRE HARNESS) 
    1. Confirm good connection at the mass air flow meter.
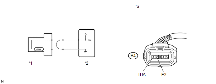
      GTY709282Courtesy of © TOYOTA, LICENSE AGREEMENT TMS1002
      TEXT IN ILLUSTRATION

      *1 Mass Air Flow Meter *2 ECM
      *a Front view of wire harness connector
      (to Mass Air Flow Meter)
      - -
    2. Disconnect the mass air flow meter connector.
    3. Connect terminals THA and E2 of the mass air flow meter connector on the wire harness side.
    4. Connect the Techstream to the DLC3.
    5. Turn the ignition switch to ON.
    6. Turn the Techstream on.
    7. Enter the following menus: Powertrain / Engine / Data List / Intake Air.
    8. Read the value displayed on the Techstream.

      Standard value

      Higher than 128°C (262°F)

      HINT: 

      Perform "Inspection After Repair" after replacing the mass air flow meter (Refer to INITIALIZATION [12/2015 - 08/2016] ).

    Result: 

    OK 

    REPLACE MASS AIR FLOW METER 

    (Refer to REMOVAL [12/2015 - 08/2016] )

    Result: 

    NG 

    See step  3

  3. CHECK HARNESS AND CONNECTOR (MASS AIR FLOW METER - ECM) 
    1. Disconnect the B4 mass air flow meter connector.
    2. Disconnect the B1 ECM connector.
    3. Measure the resistance according to the value(s) in the table below.

      Standard Resistance (Check for Open)

      Tester Connection Condition Specified Condition
      B4-1 (THA) - B1-73 (THA) Always Below 1 Ω
      B4-2 (E2) - B1-98 (ETHA) Always Below 1 Ω

    Result: 

    OK 

    REPLACE ECM 

    (Refer to REMOVAL [12/2015 - 08/2016] )

    Result: 

    NG 

    REPAIR OR REPLACE HARNESS OR CONNECTOR 

  4. READ VALUE USING TECHSTREAM (CHECK FOR SHORT IN WIRE HARNESS) 
    1. Disconnect the mass air flow meter connector.
      GTY238465Courtesy of © TOYOTA, LICENSE AGREEMENT TMS1002
      TEXT IN ILLUSTRATION

      *1 Mass Air Flow Meter
      *2 ECM
    2. Connect the Techstream to the DLC3.
    3. Turn the ignition switch to ON.
    4. Turn the Techstream on.
    5. Enter the following menus: Powertrain / Engine / Data List / Intake Air.
    6. Read the value displayed on the Techstream.

      Standard value

      -40°C (-40°F)

      HINT: 

      Perform "Inspection After Repair" after replacing the mass air flow meter (Refer to INITIALIZATION [12/2015 - 08/2016] ).

    Result: 

    OK 

    REPLACE MASS AIR FLOW METER 

    (Refer to REMOVAL [12/2015 - 08/2016] )

    Result: 

    NG 

    See step  5

  5. CHECK HARNESS AND CONNECTOR (MASS AIR FLOW METER - ECM) 
    1. Disconnect the B4 mass air flow meter connector.
    2. Disconnect the B1 ECM connector.
    3. Measure the resistance according to the value(s) in the table below.

      Standard Resistance (Check for Short)

      Tester Connection Condition Specified Condition
      B4-1 (THA) or B1-73 (THA) - Body ground Always 10 kΩ or higher

    Result: 

    OK 

    REPLACE ECM 

    (Refer to REMOVAL [12/2015 - 08/2016] )

    Result: 

    NG 

    REPAIR OR REPLACE HARNESS OR CONNECTOR