LEMON Manuals: Even more car manuals for everyone: 1960-2025
Home >> Toyota >> 2017 >> 4Runner TRD Pro >> Repair and Diagnosis (Single Page) >> Accessories & Equipment >> Anti-Theft Systems >> Smart Key System (For Start Function) - Diagnostic Codes & Symptom Tests >> SMART KEY SYSTEM (for Start Function) >> Power Source Mode does not Change to ON (IG and ACC) [08/2019 - ] >> Wiring Diagram
April 5, 2026: LEMON Manuals is launched! Read the announcement.

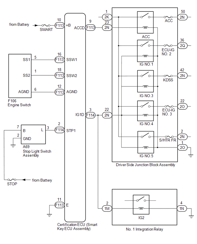
Power Source Mode does not Change to ON (IG and ACC) [08/2019 - ]: Wiring Diagram

GTY890918Courtesy of © TOYOTA, LICENSE AGREEMENT TMS1002