LEMON Manuals: Even more car manuals for everyone: 1960-2025
Home >> Toyota >> 2017 >> 4Runner TRD Pro >> Repair and Diagnosis (Single Page) >> Accessories & Equipment >> Anti-Theft Systems >> Wireless Door Lock Control System (W/O Smart Key System) - Diagnostics - Introduction >> WIRELESS DOOR LOCK CONTROL SYSTEM (w/o Smart Key System) >> System Diagram [08/2019 - 08/2022] >> System Diagram [08/2019 - 08/2022]
April 5, 2026: LEMON Manuals is launched! Read the announcement.

System Diagram [08/2019 - 08/2022]

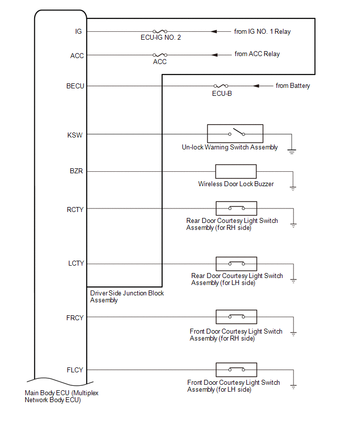
Fig 1: Wireless Door Lock Control System (W/O Smart Key System) Wiring Diagram (08/2019 -) (1 Of 4)
GTY918027Courtesy of © TOYOTA, LICENSE AGREEMENT TMS1002
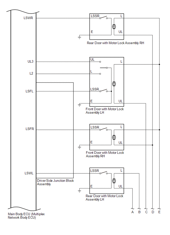
Fig 2: Wireless Door Lock Control System (W/O Smart Key System) Wiring Diagram (08/2019 -) (2 Of 4)
GTY944833Courtesy of © TOYOTA, LICENSE AGREEMENT TMS1002
Fig 3: Wireless Door Lock Control System (W/O Smart Key System) Wiring Diagram (08/2019 -) (3 Of 4)
GTY881488Courtesy of © TOYOTA, LICENSE AGREEMENT TMS1002
Fig 4: Wireless Door Lock Control System (W/O Smart Key System) Wiring Diagram (08/2019 -) (4 Of 4)
GTY840635Courtesy of © TOYOTA, LICENSE AGREEMENT TMS1002