LEMON Manuals: Even more car manuals for everyone: 1960-2025
Home >> Toyota >> 2017 >> 4Runner TRD Pro >> Repair and Diagnosis (Single Page) >> Body & Frame >> Door Locks >> Smart Key System (For Entry Function) - Symptom Tests >> SMART KEY SYSTEM (for Entry Function) >> Back Door Entry Unlock Function does not Operate [08/2019 - ] >> Wiring Diagram
April 5, 2026: LEMON Manuals is launched! Read the announcement.

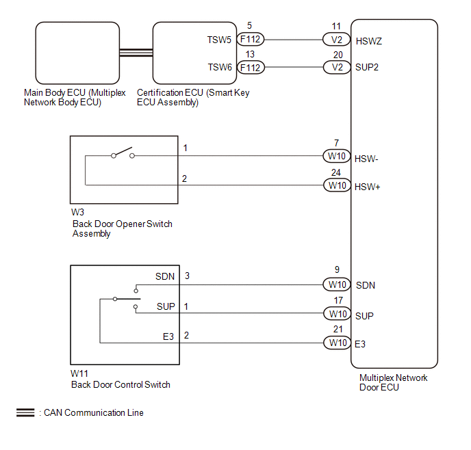
Back Door Entry Unlock Function does not Operate [08/2019 - ]: Wiring Diagram

GTY864833Courtesy of © TOYOTA, LICENSE AGREEMENT TMS1002