LEMON Manuals: Even more car manuals for everyone: 1960-2025
Home >> Toyota >> 2017 >> 4Runner TRD Pro >> Repair and Diagnosis (Single Page) >> Electrical >> Fuses & Circuit Breakers >> OEM Junction Block, Ecu & Fuse/Relay Locations >> Junction Block Fuse, Relay & Circuit Identification >> Driver Side Junction Block Assembly Inner Circuit
April 5, 2026: LEMON Manuals is launched! Read the announcement.

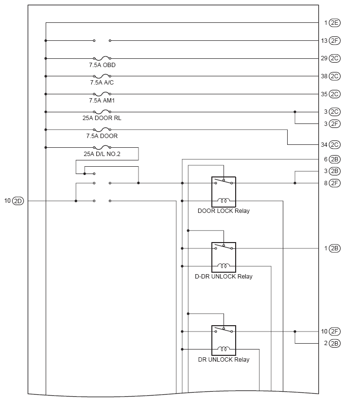
Driver Side Junction Block Assembly Inner Circuit

Fig 1: Driver Side J/B Assembly Relay & Inner Circuit Diagram (1 Of 6)
G08950112Courtesy of © TOYOTA, LICENSE AGREEMENT TMS1002
DRIVER SIDE J/B INNER CIRCUIT RELAY IDENTIFICATION

RELAY DESCRIPTION
Door Lock Relay
D-DR Unlock Relay
DR Unlock Relay
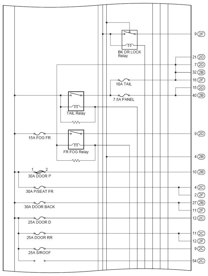
Fig 2: Driver Side J/B Assembly Relay & Inner Circuit Diagram (2 Of 6)
G08950113Courtesy of © TOYOTA, LICENSE AGREEMENT TMS1002
DRIVER SIDE J/B INNER CIRCUIT RELAY IDENTIFICATION

RELAY DESCRIPTION
BK DR LOCK Relay
Tail Relay
FR Fog Relay
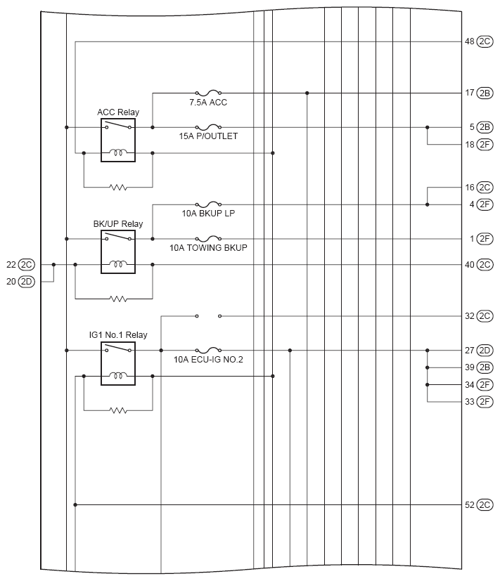
Fig 3: Driver Side J/B Assembly Relay & Inner Circuit Diagram (3 Of 6)
G08950114Courtesy of © TOYOTA, LICENSE AGREEMENT TMS1002
DRIVER SIDE J/B INNER CIRCUIT RELAY IDENTIFICATION

RELAY DESCRIPTION
ACC Relay
BK/UP Relay
IG1 No. 1 Relay
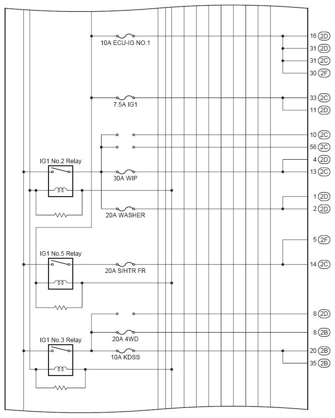
Fig 4: Driver Side J/B Assembly Relay & Inner Circuit Diagram (4 Of 6)
G08950115Courtesy of © TOYOTA, LICENSE AGREEMENT TMS1002
DRIVER SIDE J/B INNER CIRCUIT RELAY IDENTIFICATION

RELAY DESCRIPTION
IG1 No. 2 Relay
IG1 No. 5 Relay
IG1 No. 3 Relay
Fig 5: Driver Side J/B Assembly Inner Circuit Diagram (5 Of 6)
G08950116Courtesy of © TOYOTA, LICENSE AGREEMENT TMS1002
Fig 6: Driver Side J/B Assembly Inner Circuit Diagram (6 Of 6)
G08950117Courtesy of © TOYOTA, LICENSE AGREEMENT TMS1002