LEMON Manuals: Even more car manuals for everyone: 1960-2025
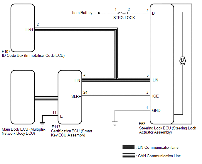
Home >> Toyota >> 2017 >> 4Runner TRD Pro >> Repair and Diagnosis (Single Page) >> Steering >> Steering Column >> Steering Lock System - Diagnostic Codes & Symptom Tests >> Steering Lock System >> Unable to Unlock Steering Wheel (Engine cannot Start) [08/2019 - 08/2022] >> Wiring Diagram
April 5, 2026: LEMON Manuals is launched! Read the announcement.

Unable to Unlock Steering Wheel (Engine cannot Start) [08/2019 - 08/2022]: Wiring Diagram

GTY903083Courtesy of © TOYOTA, LICENSE AGREEMENT TMS1002