LEMON Manuals: Even more car manuals for everyone: 1960-2025
Home >> Toyota >> 2017 >> 4Runner TRD Pro >> Repair and Diagnosis >> Electrical >> Body Electrical >> OEM System Circuits >> Automatic Light Control, Light Auto Turn Off System >> System Diagrams
April 5, 2026: LEMON Manuals is launched! Read the announcement.

System Diagrams

Fig 1: Automatic Light Control, Light Auto Turn Off System (1 Of 7)
G12198247Courtesy of © TOYOTA, LICENSE AGREEMENT TMS1002
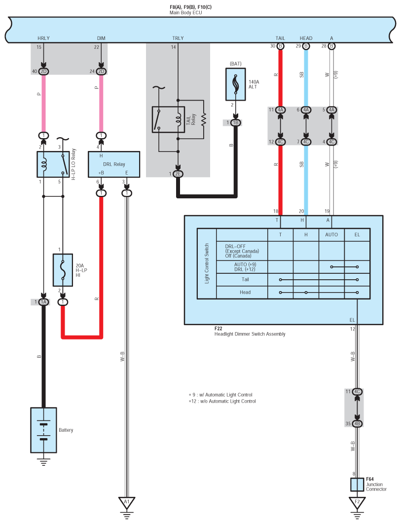
Fig 2: Automatic Light Control, Light Auto Turn Off System (2 Of 7)
G12198248Courtesy of © TOYOTA, LICENSE AGREEMENT TMS1002
Fig 3: Automatic Light Control, Light Auto Turn Off System (3 Of 7)
G12198249Courtesy of © TOYOTA, LICENSE AGREEMENT TMS1002
Fig 4: Automatic Light Control, Light Auto Turn Off System (4 Of 7)
G12198250Courtesy of © TOYOTA, LICENSE AGREEMENT TMS1002
Fig 5: Automatic Light Control, Light Auto Turn Off System (5 Of 7)
G12198251Courtesy of © TOYOTA, LICENSE AGREEMENT TMS1002
Fig 6: Automatic Light Control, Light Auto Turn Off System (6 Of 7)
G12198252Courtesy of © TOYOTA, LICENSE AGREEMENT TMS1002
Fig 7: Automatic Light Control, Light Auto Turn Off System (7 Of 7)
G12198253Courtesy of © TOYOTA, LICENSE AGREEMENT TMS1002