LEMON Manuals: Even more car manuals for everyone: 1960-2025
Home >> Toyota >> 2017 >> 4Runner TRD Pro >> Repair and Diagnosis >> Electrical >> Body Electrical >> OEM System Circuits >> Cruise Control, Electronically Controlled Transmission And A/T Indicator, Engine Control >> System Diagrams
April 5, 2026: LEMON Manuals is launched! Read the announcement.

System Diagrams

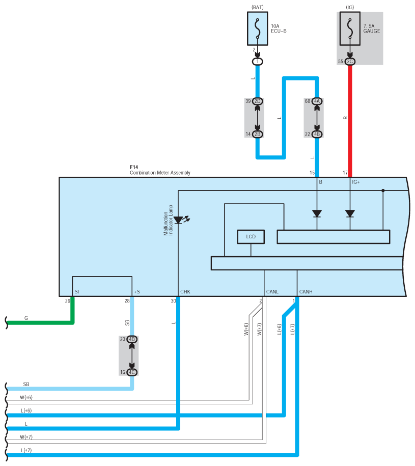
Fig 1: Cruise Control, Electronically Controlled Transmission And A/T Indicator, Engine Control (1 Of 23)
G12198376Courtesy of © TOYOTA, LICENSE AGREEMENT TMS1002
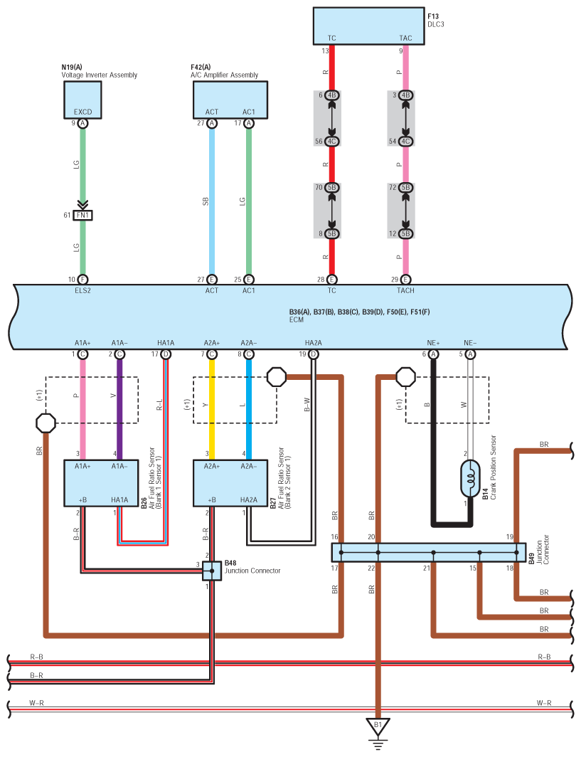
Fig 2: Cruise Control, Electronically Controlled Transmission And A/T Indicator, Engine Control (2 Of 23)
G12198377Courtesy of © TOYOTA, LICENSE AGREEMENT TMS1002
Fig 3: Cruise Control, Electronically Controlled Transmission And A/T Indicator, Engine Control (3 Of 23)
G12198378Courtesy of © TOYOTA, LICENSE AGREEMENT TMS1002
Fig 4: Cruise Control, Electronically Controlled Transmission And A/T Indicator, Engine Control (4 Of 23)
G12198379Courtesy of © TOYOTA, LICENSE AGREEMENT TMS1002
Fig 5: Cruise Control, Electronically Controlled Transmission And A/T Indicator, Engine Control (5 Of 23)
G12198380Courtesy of © TOYOTA, LICENSE AGREEMENT TMS1002
Fig 6: Cruise Control, Electronically Controlled Transmission And A/T Indicator, Engine Control (6 Of 23)
G12198381Courtesy of © TOYOTA, LICENSE AGREEMENT TMS1002
Fig 7: Cruise Control, Electronically Controlled Transmission And A/T Indicator, Engine Control (7 Of 23)
G12198382Courtesy of © TOYOTA, LICENSE AGREEMENT TMS1002
Fig 8: Cruise Control, Electronically Controlled Transmission And A/T Indicator, Engine Control (8 Of 23)
G12198383Courtesy of © TOYOTA, LICENSE AGREEMENT TMS1002
Fig 9: Cruise Control, Electronically Controlled Transmission And A/T Indicator, Engine Control (9 Of 23)
G12198384Courtesy of © TOYOTA, LICENSE AGREEMENT TMS1002
Fig 10: Cruise Control, Electronically Controlled Transmission And A/T Indicator, Engine Control (10 Of 23)
G12198385Courtesy of © TOYOTA, LICENSE AGREEMENT TMS1002
Fig 11: Cruise Control, Electronically Controlled Transmission And A/T Indicator, Engine Control (11 Of 23)
G12198386Courtesy of © TOYOTA, LICENSE AGREEMENT TMS1002
Fig 12: Cruise Control, Electronically Controlled Transmission And A/T Indicator, Engine Control (12 Of 23)
G12198387Courtesy of © TOYOTA, LICENSE AGREEMENT TMS1002
Fig 13: Cruise Control, Electronically Controlled Transmission And A/T Indicator, Engine Control (13 Of 23)
G12198388Courtesy of © TOYOTA, LICENSE AGREEMENT TMS1002
Fig 14: Cruise Control, Electronically Controlled Transmission And A/T Indicator, Engine Control (14 Of 23)
G12198389Courtesy of © TOYOTA, LICENSE AGREEMENT TMS1002
Fig 15: Cruise Control, Electronically Controlled Transmission And A/T Indicator, Engine Control (15 Of 23)
G12198390Courtesy of © TOYOTA, LICENSE AGREEMENT TMS1002
Fig 16: Cruise Control, Electronically Controlled Transmission And A/T Indicator, Engine Control (16 Of 23)
G12198391Courtesy of © TOYOTA, LICENSE AGREEMENT TMS1002
Fig 17: Cruise Control, Electronically Controlled Transmission And A/T Indicator, Engine Control (17 Of 23)
G12198392Courtesy of © TOYOTA, LICENSE AGREEMENT TMS1002
Fig 18: Cruise Control, Electronically Controlled Transmission And A/T Indicator, Engine Control (18 Of 23)
G12198393Courtesy of © TOYOTA, LICENSE AGREEMENT TMS1002
Fig 19: Cruise Control, Electronically Controlled Transmission And A/T Indicator, Engine Control (19 Of 23)
G12198394Courtesy of © TOYOTA, LICENSE AGREEMENT TMS1002
Fig 20: Cruise Control, Electronically Controlled Transmission And A/T Indicator, Engine Control (20 Of 23)
G12198395Courtesy of © TOYOTA, LICENSE AGREEMENT TMS1002
Fig 21: Cruise Control, Electronically Controlled Transmission And A/T Indicator, Engine Control (21 Of 23)
G12198396Courtesy of © TOYOTA, LICENSE AGREEMENT TMS1002
Fig 22: Cruise Control, Electronically Controlled Transmission And A/T Indicator, Engine Control (22 Of 23)
G12198397Courtesy of © TOYOTA, LICENSE AGREEMENT TMS1002
Fig 23: Cruise Control, Electronically Controlled Transmission And A/T Indicator, Engine Control (23 Of 23)
G12198398Courtesy of © TOYOTA, LICENSE AGREEMENT TMS1002