LEMON Manuals: Even more car manuals for everyone: 1960-2025
Home >> Toyota >> 2017 >> 4Runner TRD Pro >> Repair and Diagnosis >> Electrical >> Body Electrical >> OEM System Circuits >> Key Reminder (W/O Smart Key System) >> System Diagrams
April 5, 2026: LEMON Manuals is launched! Read the announcement.

System Diagrams

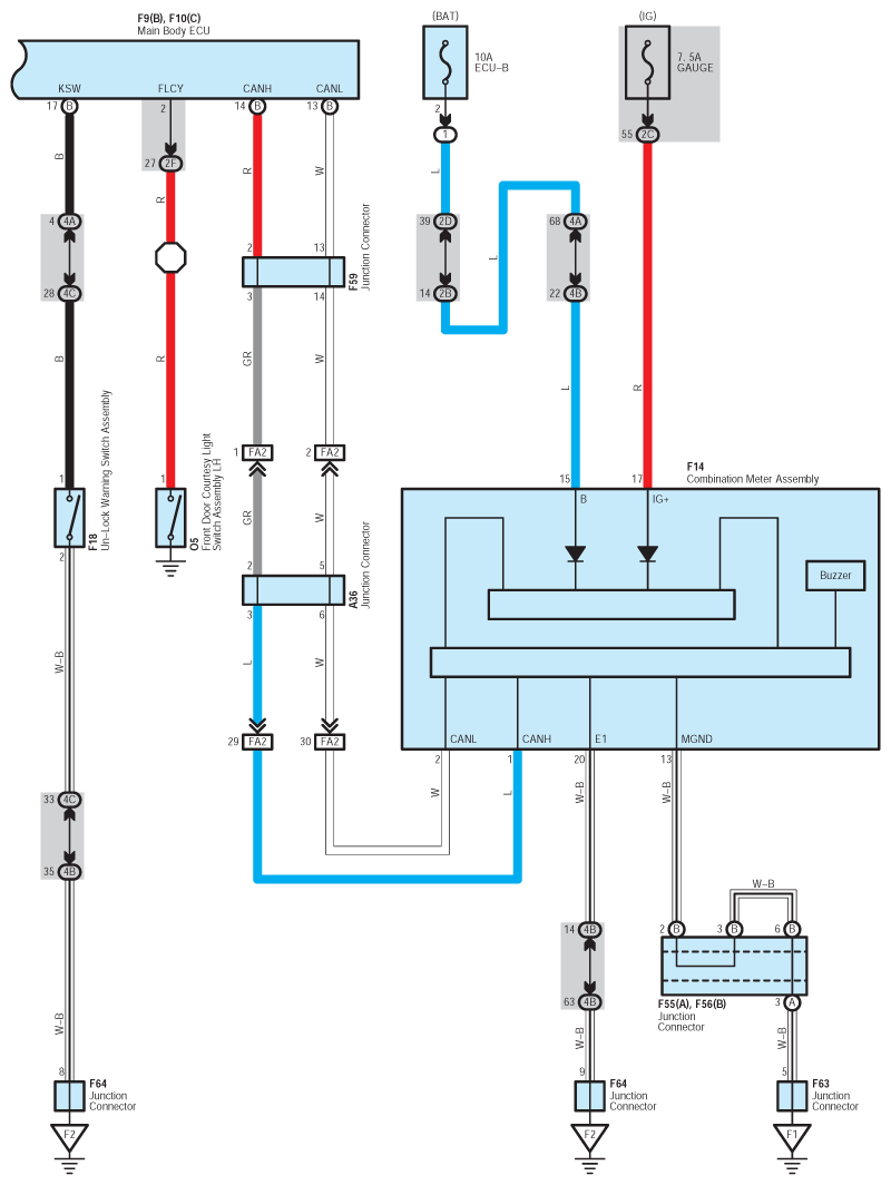
Fig 1: Key Reminder (W/O Smart Key System) (1 Of 2)
G12198491Courtesy of © TOYOTA, LICENSE AGREEMENT TMS1002
Fig 2: Key Reminder (W/O Smart Key System) (2 Of 2)
G12198492Courtesy of © TOYOTA, LICENSE AGREEMENT TMS1002