LEMON Manuals: Even more car manuals for everyone: 1960-2025
Home >> Toyota >> 2017 >> 4Runner TRD Pro >> Repair and Diagnosis >> Engine Performance >> System >> Engine Control System - Diagnostics - Introduction (1 Of 2) >> SFI System >> System Diagram [08/2019 - 08/2022] >> System Diagram [08/2019 - 08/2022]
April 5, 2026: LEMON Manuals is launched! Read the announcement.

System Diagram [08/2019 - 08/2022]

Fig 1: SFI System Wiring Diagram (W/O Smart Key System) [08/2019 - 08/2022] (1 Of 7)
GTY907845Courtesy of © TOYOTA, LICENSE AGREEMENT TMS1002
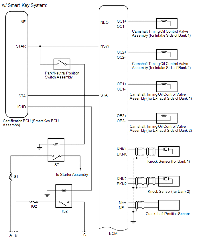
Fig 2: SFI System Wiring Diagram (W/ Smart Key System) [08/2019 - 08/2022] (2 Of 7)
GTY942793Courtesy of © TOYOTA, LICENSE AGREEMENT TMS1002
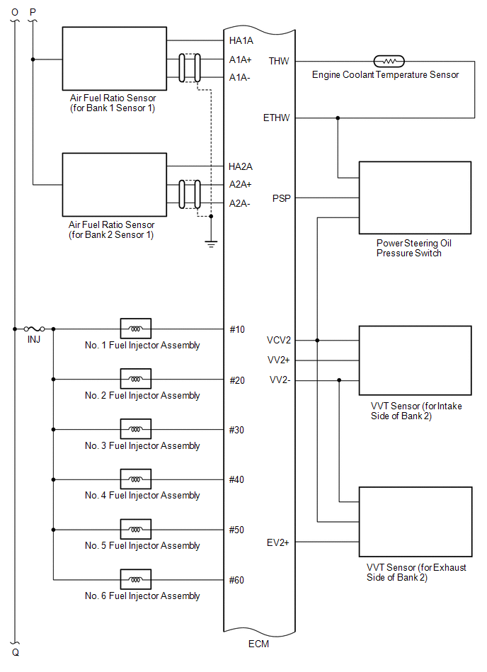
Fig 3: SFI System Wiring Diagram [08/2019 - 08/2022] (3 Of 7)
GTY910339Courtesy of © TOYOTA, LICENSE AGREEMENT TMS1002
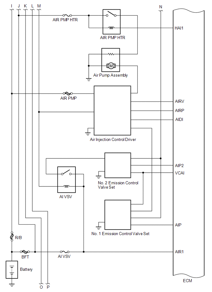
Fig 4: SFI System Wiring Diagram [08/2019 - 08/2022] (4 Of 7)
GTY914473Courtesy of © TOYOTA, LICENSE AGREEMENT TMS1002
Fig 5: SFI System Wiring Diagram [08/2019 - 08/2022] (5 Of 7)
GTY922328Courtesy of © TOYOTA, LICENSE AGREEMENT TMS1002
Fig 6: SFI System Wiring Diagram [08/2019 - 08/2022] (6 Of 7)
GTY840955Courtesy of © TOYOTA, LICENSE AGREEMENT TMS1002
Fig 7: SFI System Wiring Diagram [08/2019 - 08/2022] (7 Of 7)
GTY845971Courtesy of © TOYOTA, LICENSE AGREEMENT TMS1002