LEMON Manuals: Even more car manuals for everyone: 1960-2025
Home >> Toyota >> 2017 >> 86 Base, Automatic Trans >> Repair and Diagnosis (Single Page) >> Accessories & Equipment >> Anti-Theft Systems >> Power Door Lock Control System - Diagnostics & Symptom Tests >> Power Door Lock Control System >> System Diagram [06/2016 - 03/2017] >> System Diagram [06/2016 - 03/2017]
April 5, 2026: LEMON Manuals is launched! Read the announcement.

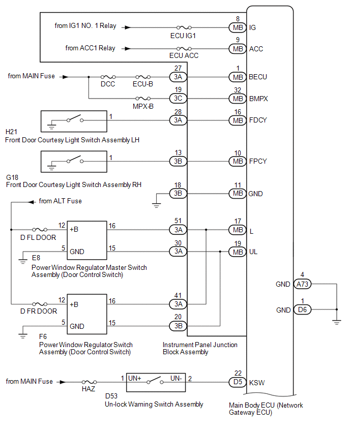
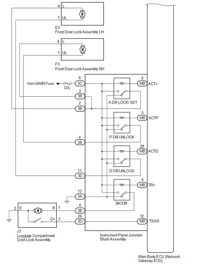
System Diagram [06/2016 - 03/2017]

GTY691599Courtesy of © TOYOTA, LICENSE AGREEMENT TMS1002
GTY734142Courtesy of © TOYOTA, LICENSE AGREEMENT TMS1002