LEMON Manuals: Even more car manuals for everyone: 1960-2025
Home >> Toyota >> 2017 >> 86 Base, Automatic Trans >> Repair and Diagnosis (Single Page) >> Accessories & Equipment >> Headlights >> Lighting System (Ext) - Diagnostics Codes & Circuit Tests >> Lighting System >> Headlight Dimmer Switch Circuit [06/2016 - 03/2017] >> Wiring Diagram
April 5, 2026: LEMON Manuals is launched! Read the announcement.

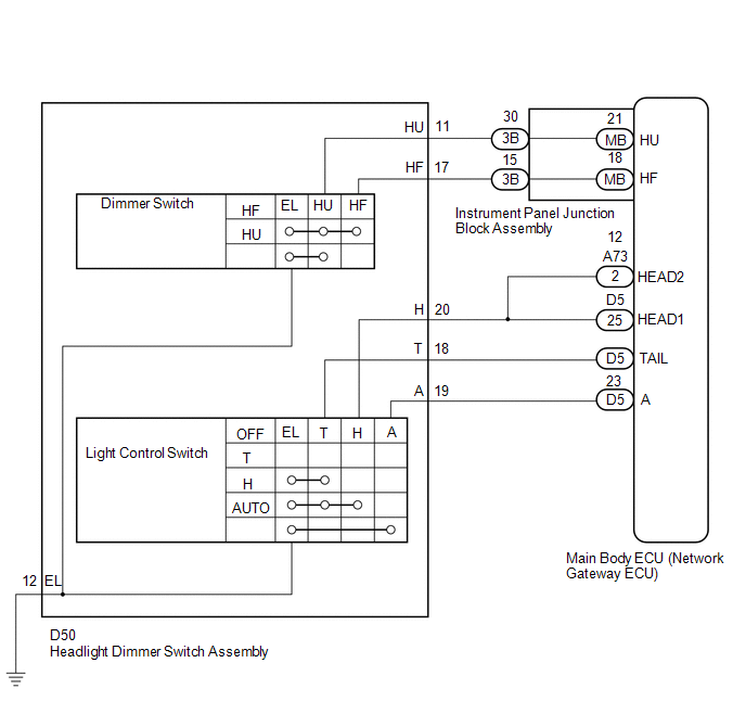
Headlight Dimmer Switch Circuit [06/2016 - 03/2017]: Wiring Diagram

GTY701312Courtesy of © TOYOTA, LICENSE AGREEMENT TMS1002