LEMON Manuals: Even more car manuals for everyone: 1960-2025
Home >> Toyota >> 2017 >> 86 Base, Automatic Trans >> Repair and Diagnosis (Single Page) >> Accessories & Equipment >> Wiper/Washer Systems >> Wiper System / Washer System (Inspection) >> Wiper And Washer System >> System Description [06/2016 - ] >> System Description [06/2016 - ]
April 5, 2026: LEMON Manuals is launched! Read the announcement.

System Description [06/2016 - ]

  1. WASHER LINKED OPERATION 
    1. This system operates the front wipers at low speed immediately after spraying a jet of washer fluid when the front washer switch is turned on for 0.3 seconds or more. The system operates the front wipers at low speed for approximately 2.2 seconds and then stops operation when the washer switch is turned on for 1.5 seconds or more.
  2. INTERMITTENT OPERATION 
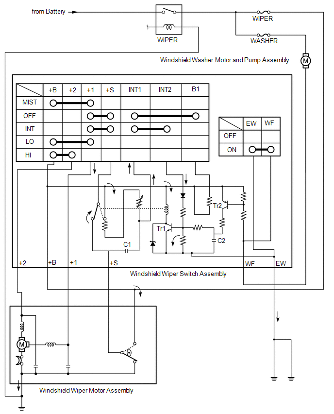
    GTY698241Courtesy of © TOYOTA, LICENSE AGREEMENT TMS1002
    1. The system operates the front wipers once in approximately 1.6 to 10.7 seconds when the front wiper switch is turned to the INT position. The intermittent time can be adjusted from 1.6 to 10.7 seconds by using the intermittent time adjust dial.
    2. If the windshield wiper switch (front wiper switch) is turned to the INT position, current flows from the already charged capacitor C1 through terminals INT1 and INT2 of the front wiper switch to Tr1 (transistor). When Tr1 turns on, current flows from terminal +S of the front wiper switch to terminal +1 of the front wiper switch, to terminal +1 of the windshield wiper motor, to the windshield wiper motor and finally to ground, causing the windshield wiper motor to operate. At the same time, current flows from capacitor C1 to terminal INT1 of the front wiper switch and then INT2. When the current flow from capacitor C1 ends, Tr1 turns off to stop the relay contact point and halt the windshield wiper motor.

      When the relay contact point turns off, capacitor C1 begins to charge again and Tr1 remains off until charging has been completed. This period corresponds to the intermittent time. When capacitor C1 is fully charged, Tr1 turns on and then the relay contact point turns on, causing the windshield wiper motor to operate again. This cycle is the intermittent operation.

      The intermittent time can be adjusted by using the intermittent time adjust dial (variable resistor) to change the charge time of capacitor C1.