LEMON Manuals: Even more car manuals for everyone: 1960-2025
Home >> Toyota >> 2017 >> 86 Base, Automatic Trans >> Repair and Diagnosis >> Accessories & Equipment >> Cruise Control Systems >> Cruise Control System - Diagnostics - Introduction >> Cruise Control System >> System Diagram [06/2016 - 03/2017] >> System Diagram [06/2016 - 03/2017]
April 5, 2026: LEMON Manuals is launched! Read the announcement.

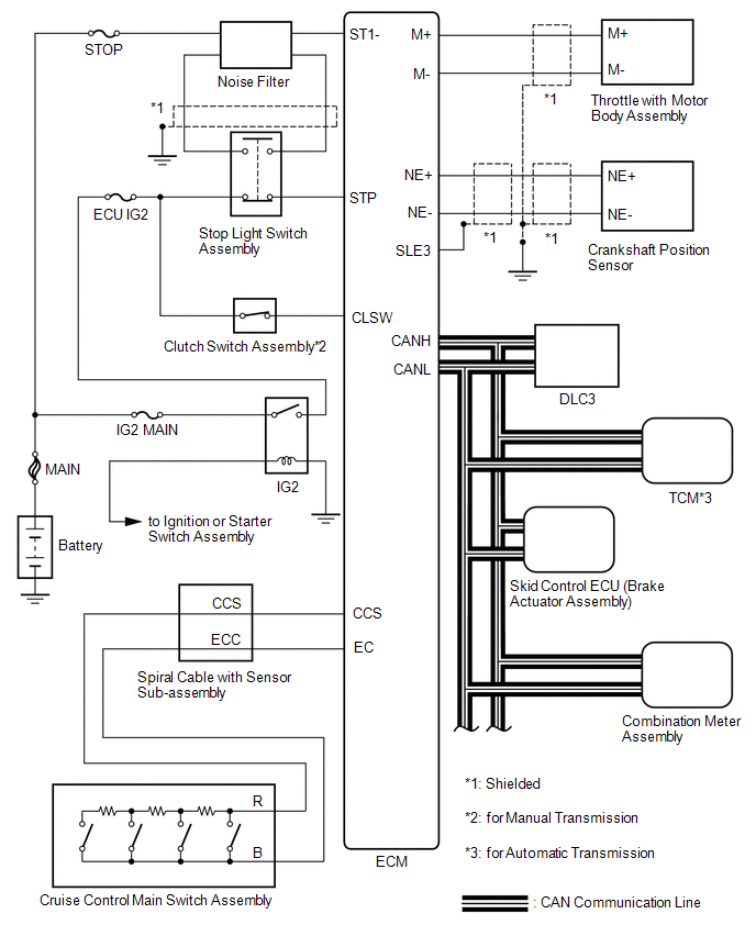
System Diagram [06/2016 - 03/2017]

GTY721634Courtesy of © TOYOTA, LICENSE AGREEMENT TMS1002
COMMUNICATION TABLE

Sender Receiver Signal Line
TCM ECM Shift lever position and gear range signal CAN
Skid control ECU (Brake Actuator Assembly) ECM
  • Vehicle speed signal
  • ABS, TR(A)C and/or VSC operation signal
CAN
ECM Combination Meter Assembly
(Cruise Control Indicator Light)
(Cruise Control SET Indicator)
Cruise control indicator and cruise control SET indicator operation signal CAN