LEMON Manuals: Even more car manuals for everyone: 1960-2025
Home >> Toyota >> 2017 >> 86 Base, Automatic Trans >> Repair and Diagnosis >> Electrical >> Body Electrical >> OEM System Circuits >> Headlight >> System Diagrams
April 5, 2026: LEMON Manuals is launched! Read the announcement.

System Diagrams

Fig 1: Headlight (1 Of 9)
G12192006Courtesy of © TOYOTA, LICENSE AGREEMENT TMS1002
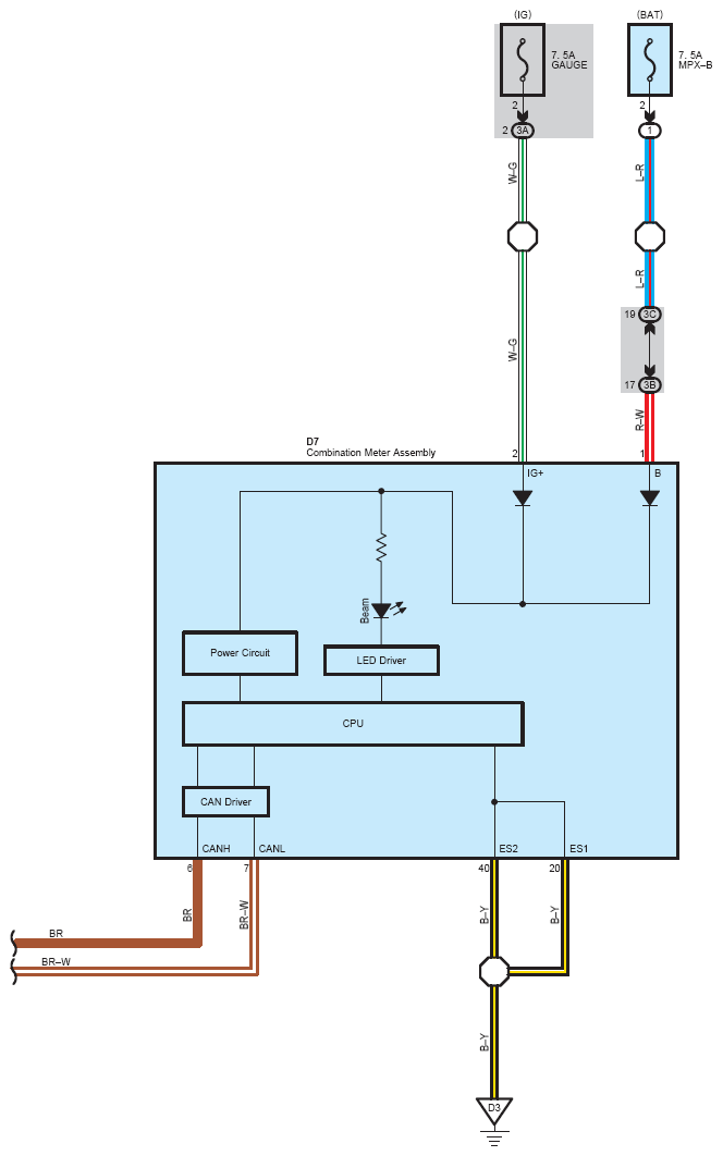
Fig 2: Headlight (2 Of 9)
G12192007Courtesy of © TOYOTA, LICENSE AGREEMENT TMS1002
Fig 3: Headlight (3 Of 9)
G12192008Courtesy of © TOYOTA, LICENSE AGREEMENT TMS1002
Fig 4: Headlight (4 Of 9)
G12192009Courtesy of © TOYOTA, LICENSE AGREEMENT TMS1002
Fig 5: Headlight (5 Of 9)
G12192010Courtesy of © TOYOTA, LICENSE AGREEMENT TMS1002
Fig 6: Headlight (6 Of 9)
G12192011Courtesy of © TOYOTA, LICENSE AGREEMENT TMS1002
Fig 7: Headlight (7 Of 9)
G12192012Courtesy of © TOYOTA, LICENSE AGREEMENT TMS1002
Fig 8: Headlight (8 Of 9)
G12192013Courtesy of © TOYOTA, LICENSE AGREEMENT TMS1002
Fig 9: Headlight (9 Of 9)
G12192014Courtesy of © TOYOTA, LICENSE AGREEMENT TMS1002