LEMON Manuals: Even more car manuals for everyone: 1960-2025
Home >> Toyota >> 2017 >> 86 Base, Automatic Trans >> Repair and Diagnosis >> Electrical >> Body Electrical >> OEM System Circuits >> SRS >> System Diagrams
April 5, 2026: LEMON Manuals is launched! Read the announcement.

System Diagrams

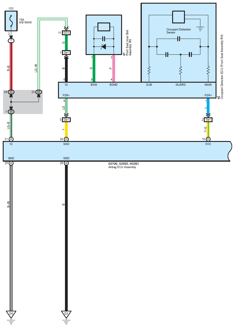
Fig 1: SRS (1 Of 5)
G12192089Courtesy of © TOYOTA, LICENSE AGREEMENT TMS1002
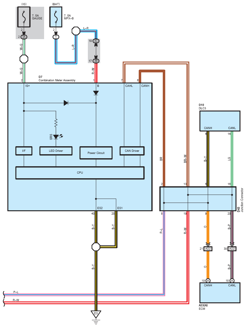
Fig 2: SRS (2 Of 5)
G12192090Courtesy of © TOYOTA, LICENSE AGREEMENT TMS1002
Fig 3: SRS (3 Of 5)
G12192091Courtesy of © TOYOTA, LICENSE AGREEMENT TMS1002
Fig 4: SRS (4 Of 5)
G12192092Courtesy of © TOYOTA, LICENSE AGREEMENT TMS1002
Fig 5: SRS (5 Of 5)
G12192093Courtesy of © TOYOTA, LICENSE AGREEMENT TMS1002