LEMON Manuals: Even more car manuals for everyone: 1960-2025
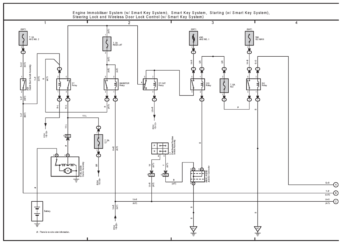
Home >> Toyota >> 2017 >> 86 Base, Standard Trans >> Repair and Diagnosis (Single Page) >> Electrical >> Body Electrical >> OEM Overall Electrical Wiring Diagram >> Overall Electrical Wiring Diagram >> Engine Immobiliser System (W/Smart Key System), Smart Key System, Starting (W/Smart Key System), Steering Lock And Wireless Door Lock Control (W/Smart Key System)
April 5, 2026: LEMON Manuals is launched! Read the announcement.

Engine Immobiliser System (W/Smart Key System), Smart Key System, Starting (W/Smart Key System), Steering Lock And Wireless Door Lock Control (W/Smart Key System)

G12199816Courtesy of © TOYOTA, LICENSE AGREEMENT TMS1002
G12199817Courtesy of © TOYOTA, LICENSE AGREEMENT TMS1002
G12199818Courtesy of © TOYOTA, LICENSE AGREEMENT TMS1002
G12199819Courtesy of © TOYOTA, LICENSE AGREEMENT TMS1002
G12199820Courtesy of © TOYOTA, LICENSE AGREEMENT TMS1002
G12199821Courtesy of © TOYOTA, LICENSE AGREEMENT TMS1002