LEMON Manuals: Even more car manuals for everyone: 1960-2025
Home >> Toyota >> 2017 >> 86 Base, Standard Trans >> Repair and Diagnosis (Single Page) >> Electrical >> Motors, Switches, Relays >> OEM System Circuits >> Engine Immobiliser System (W/Smart Key System), Smart Key System, Starting (W/Smart Key System), Steering Lock, Wireless Door Lock Control (W/Smart Key System) >> System Diagrams
April 5, 2026: LEMON Manuals is launched! Read the announcement.

System Diagrams

Fig 1: Engine Immobiliser System (W/Smart Key System), Smart Key System, Starting (W/Smart Key System), Steering Lock, Wireless Door Lock Control (W/Smart Key System) (1 Of 27)
G12191942Courtesy of © TOYOTA, LICENSE AGREEMENT TMS1002
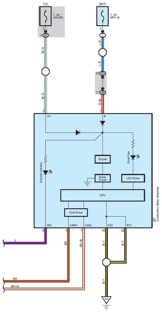
Fig 2: Engine Immobiliser System (W/Smart Key System), Smart Key System, Starting (W/Smart Key System), Steering Lock, Wireless Door Lock Control (W/Smart Key System) (2 Of 27)
G12191943Courtesy of © TOYOTA, LICENSE AGREEMENT TMS1002
Fig 3: Engine Immobiliser System (W/Smart Key System), Smart Key System, Starting (W/Smart Key System), Steering Lock, Wireless Door Lock Control (W/Smart Key System) (3 Of 27)
G12191944Courtesy of © TOYOTA, LICENSE AGREEMENT TMS1002
Fig 4: Engine Immobiliser System (W/Smart Key System), Smart Key System, Starting (W/Smart Key System), Steering Lock, Wireless Door Lock Control (W/Smart Key System) (4 Of 27)
G12191945Courtesy of © TOYOTA, LICENSE AGREEMENT TMS1002
Fig 5: Engine Immobiliser System (W/Smart Key System), Smart Key System, Starting (W/Smart Key System), Steering Lock, Wireless Door Lock Control (W/Smart Key System) (5 Of 27)
G12191946Courtesy of © TOYOTA, LICENSE AGREEMENT TMS1002
Fig 6: Engine Immobiliser System (W/Smart Key System), Smart Key System, Starting (W/Smart Key System), Steering Lock, Wireless Door Lock Control (W/Smart Key System) (6 Of 27)
G12191947Courtesy of © TOYOTA, LICENSE AGREEMENT TMS1002
Fig 7: Engine Immobiliser System (W/Smart Key System), Smart Key System, Starting (W/Smart Key System), Steering Lock, Wireless Door Lock Control (W/Smart Key System) (7 Of 27)
G12191948Courtesy of © TOYOTA, LICENSE AGREEMENT TMS1002
Fig 8: Engine Immobiliser System (W/Smart Key System), Smart Key System, Starting (W/Smart Key System), Steering Lock, Wireless Door Lock Control (W/Smart Key System) (8 Of 27)
G12191949Courtesy of © TOYOTA, LICENSE AGREEMENT TMS1002
Fig 9: Engine Immobiliser System (W/Smart Key System), Smart Key System, Starting (W/Smart Key System), Steering Lock, Wireless Door Lock Control (W/Smart Key System) (9 Of 27)
G12191950Courtesy of © TOYOTA, LICENSE AGREEMENT TMS1002
Fig 10: Engine Immobiliser System (W/Smart Key System), Smart Key System, Starting (W/Smart Key System), Steering Lock, Wireless Door Lock Control (W/Smart Key System) (10 Of 27)
G12191951Courtesy of © TOYOTA, LICENSE AGREEMENT TMS1002
Fig 11: Engine Immobiliser System (W/Smart Key System), Smart Key System, Starting (W/Smart Key System), Steering Lock, Wireless Door Lock Control (W/Smart Key System) (11 Of 27)
G12191952Courtesy of © TOYOTA, LICENSE AGREEMENT TMS1002
Fig 12: Engine Immobiliser System (W/Smart Key System), Smart Key System, Starting (W/Smart Key System), Steering Lock, Wireless Door Lock Control (W/Smart Key System) (12 Of 27)
G12191953Courtesy of © TOYOTA, LICENSE AGREEMENT TMS1002
Fig 13: Engine Immobiliser System (W/Smart Key System), Smart Key System, Starting (W/Smart Key System), Steering Lock, Wireless Door Lock Control (W/Smart Key System) (13 Of 27)
G12191954Courtesy of © TOYOTA, LICENSE AGREEMENT TMS1002
Fig 14: Engine Immobiliser System (W/Smart Key System), Smart Key System, Starting (W/Smart Key System), Steering Lock, Wireless Door Lock Control (W/Smart Key System) (14 Of 27)
G12191955Courtesy of © TOYOTA, LICENSE AGREEMENT TMS1002
Fig 15: Engine Immobiliser System (W/Smart Key System), Smart Key System, Starting (W/Smart Key System), Steering Lock, Wireless Door Lock Control (W/Smart Key System) (15 Of 27)
G12191956Courtesy of © TOYOTA, LICENSE AGREEMENT TMS1002
Fig 16: Engine Immobiliser System (W/Smart Key System), Smart Key System, Starting (W/Smart Key System), Steering Lock, Wireless Door Lock Control (W/Smart Key System) (16 Of 27)
G12191957Courtesy of © TOYOTA, LICENSE AGREEMENT TMS1002
Fig 17: Engine Immobiliser System (W/Smart Key System), Smart Key System, Starting (W/Smart Key System), Steering Lock, Wireless Door Lock Control (W/Smart Key System) (17 Of 27)
G12191958Courtesy of © TOYOTA, LICENSE AGREEMENT TMS1002
Fig 18: Engine Immobiliser System (W/Smart Key System), Smart Key System, Starting (W/Smart Key System), Steering Lock, Wireless Door Lock Control (W/Smart Key System) (18 Of 27)
G12191959Courtesy of © TOYOTA, LICENSE AGREEMENT TMS1002
Fig 19: Engine Immobiliser System (W/Smart Key System), Smart Key System, Starting (W/Smart Key System), Steering Lock, Wireless Door Lock Control (W/Smart Key System) (19 Of 27)
G12191960Courtesy of © TOYOTA, LICENSE AGREEMENT TMS1002
Fig 20: Engine Immobiliser System (W/Smart Key System), Smart Key System, Starting (W/Smart Key System), Steering Lock, Wireless Door Lock Control (W/Smart Key System) (20 Of 27)
G12191961Courtesy of © TOYOTA, LICENSE AGREEMENT TMS1002
Fig 21: Engine Immobiliser System (W/Smart Key System), Smart Key System, Starting (W/Smart Key System), Steering Lock, Wireless Door Lock Control (W/Smart Key System) (21 Of 27)
G12191962Courtesy of © TOYOTA, LICENSE AGREEMENT TMS1002
Fig 22: Engine Immobiliser System (W/Smart Key System), Smart Key System, Starting (W/Smart Key System), Steering Lock, Wireless Door Lock Control (W/Smart Key System) (22 Of 27)
G12191963Courtesy of © TOYOTA, LICENSE AGREEMENT TMS1002
Fig 23: Engine Immobiliser System (W/Smart Key System), Smart Key System, Starting (W/Smart Key System), Steering Lock, Wireless Door Lock Control (W/Smart Key System) (23 Of 27)
G12191964Courtesy of © TOYOTA, LICENSE AGREEMENT TMS1002
Fig 24: Engine Immobiliser System (W/Smart Key System), Smart Key System, Starting (W/Smart Key System), Steering Lock, Wireless Door Lock Control (W/Smart Key System) (24 Of 27)
G12191965Courtesy of © TOYOTA, LICENSE AGREEMENT TMS1002
Fig 25: Engine Immobiliser System (W/Smart Key System), Smart Key System, Starting (W/Smart Key System), Steering Lock, Wireless Door Lock Control (W/Smart Key System) (25 Of 27)
G12191966Courtesy of © TOYOTA, LICENSE AGREEMENT TMS1002
Fig 26: Engine Immobiliser System (W/Smart Key System), Smart Key System, Starting (W/Smart Key System), Steering Lock, Wireless Door Lock Control (W/Smart Key System) (26 Of 27)
G12191967Courtesy of © TOYOTA, LICENSE AGREEMENT TMS1002
Fig 27: Engine Immobiliser System (W/Smart Key System), Smart Key System, Starting (W/Smart Key System), Steering Lock, Wireless Door Lock Control (W/Smart Key System) (27 Of 27)
G12191968Courtesy of © TOYOTA, LICENSE AGREEMENT TMS1002