LEMON Manuals: Even more car manuals for everyone: 1960-2025
Home >> Toyota >> 2017 >> 86 Base, Standard Trans >> Repair and Diagnosis >> Electrical >> Body Electrical >> OEM System Circuits >> Cruise Control, Electronically Controlled Transmission And A/T Indicator, Engine Control, Shift Lock >> System Diagrams
April 5, 2026: LEMON Manuals is launched! Read the announcement.

System Diagrams

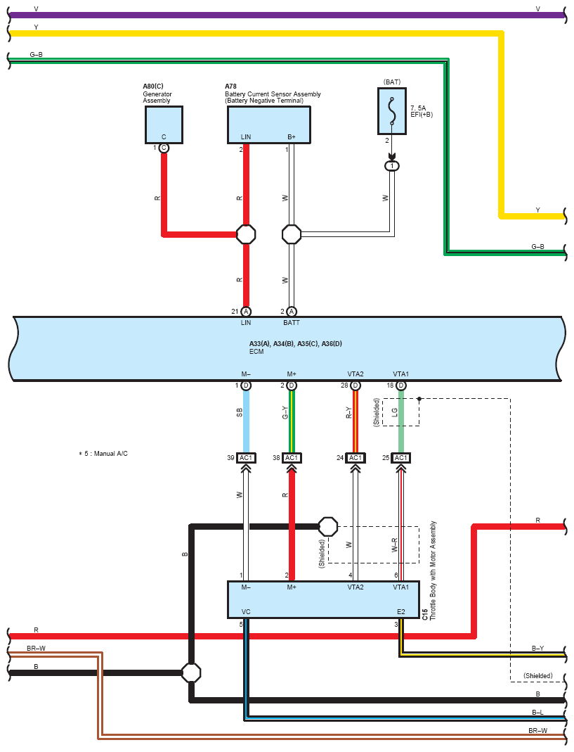
Fig 1: Cruise Control, Electronically Controlled Transmission And A/T Indicator, Engine Control, Shift Lock (1 Of 33)
G12191888Courtesy of © TOYOTA, LICENSE AGREEMENT TMS1002
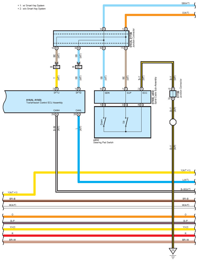
Fig 2: Cruise Control, Electronically Controlled Transmission And A/T Indicator, Engine Control, Shift Lock (2 Of 33)
G12191889Courtesy of © TOYOTA, LICENSE AGREEMENT TMS1002
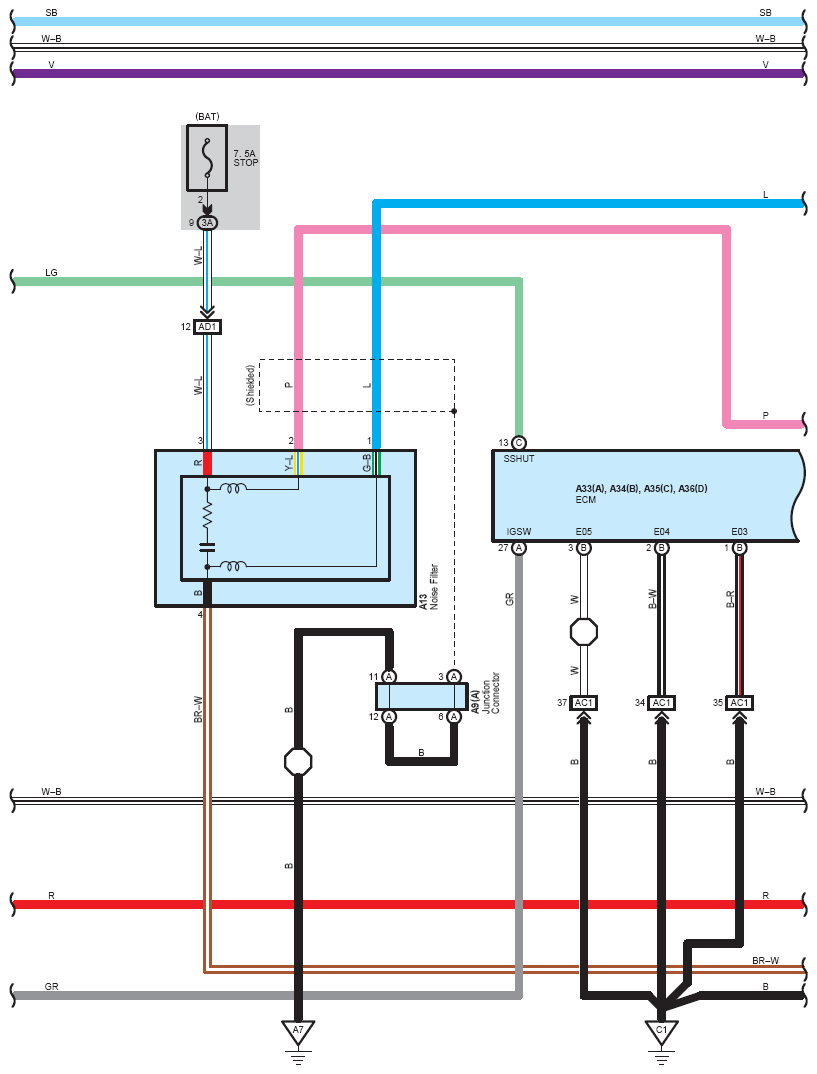
Fig 3: Cruise Control, Electronically Controlled Transmission And A/T Indicator, Engine Control, Shift Lock (3 Of 33)
G12191890Courtesy of © TOYOTA, LICENSE AGREEMENT TMS1002
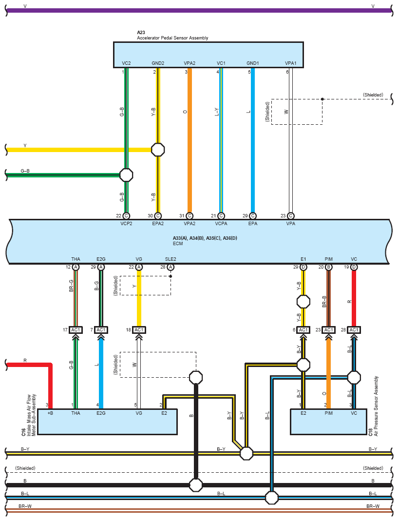
Fig 4: Cruise Control, Electronically Controlled Transmission And A/T Indicator, Engine Control, Shift Lock (4 Of 33)
G12191891Courtesy of © TOYOTA, LICENSE AGREEMENT TMS1002
Fig 5: Cruise Control, Electronically Controlled Transmission And A/T Indicator, Engine Control, Shift Lock (5 Of 33)
G12191892Courtesy of © TOYOTA, LICENSE AGREEMENT TMS1002
Fig 6: Cruise Control, Electronically Controlled Transmission And A/T Indicator, Engine Control, Shift Lock (6 Of 33)
G12191893Courtesy of © TOYOTA, LICENSE AGREEMENT TMS1002
Fig 7: Cruise Control, Electronically Controlled Transmission And A/T Indicator, Engine Control, Shift Lock (7 Of 33)
G12191894Courtesy of © TOYOTA, LICENSE AGREEMENT TMS1002
Fig 8: Cruise Control, Electronically Controlled Transmission And A/T Indicator, Engine Control, Shift Lock (8 Of 33)
G12191895Courtesy of © TOYOTA, LICENSE AGREEMENT TMS1002
Fig 9: Cruise Control, Electronically Controlled Transmission And A/T Indicator, Engine Control, Shift Lock (9 Of 33)
G12191896Courtesy of © TOYOTA, LICENSE AGREEMENT TMS1002
Fig 10: Cruise Control, Electronically Controlled Transmission And A/T Indicator, Engine Control, Shift Lock (10 Of 33)
G12191897Courtesy of © TOYOTA, LICENSE AGREEMENT TMS1002
Fig 11: Cruise Control, Electronically Controlled Transmission And A/T Indicator, Engine Control, Shift Lock (11 Of 33)
G12191898Courtesy of © TOYOTA, LICENSE AGREEMENT TMS1002
Fig 12: Cruise Control, Electronically Controlled Transmission And A/T Indicator, Engine Control, Shift Lock (12 Of 33)
G12191899Courtesy of © TOYOTA, LICENSE AGREEMENT TMS1002
Fig 13: Cruise Control, Electronically Controlled Transmission And A/T Indicator, Engine Control, Shift Lock (13 Of 33)
G12191900Courtesy of © TOYOTA, LICENSE AGREEMENT TMS1002
Fig 14: Cruise Control, Electronically Controlled Transmission And A/T Indicator, Engine Control, Shift Lock (14 Of 33)
G12191901Courtesy of © TOYOTA, LICENSE AGREEMENT TMS1002
Fig 15: Cruise Control, Electronically Controlled Transmission And A/T Indicator, Engine Control, Shift Lock (15 Of 33)
G12191902Courtesy of © TOYOTA, LICENSE AGREEMENT TMS1002
Fig 16: Cruise Control, Electronically Controlled Transmission And A/T Indicator, Engine Control, Shift Lock (16 Of 33)
G12191903Courtesy of © TOYOTA, LICENSE AGREEMENT TMS1002
Fig 17: Cruise Control, Electronically Controlled Transmission And A/T Indicator, Engine Control, Shift Lock (17 Of 33)
G12191904Courtesy of © TOYOTA, LICENSE AGREEMENT TMS1002
Fig 18: Cruise Control, Electronically Controlled Transmission And A/T Indicator, Engine Control, Shift Lock (18 Of 33)
G12191905Courtesy of © TOYOTA, LICENSE AGREEMENT TMS1002
Fig 19: Cruise Control, Electronically Controlled Transmission And A/T Indicator, Engine Control, Shift Lock (19 Of 33)
G12191906Courtesy of © TOYOTA, LICENSE AGREEMENT TMS1002
Fig 20: Cruise Control, Electronically Controlled Transmission And A/T Indicator, Engine Control, Shift Lock (20 Of 33)
G12191907Courtesy of © TOYOTA, LICENSE AGREEMENT TMS1002
Fig 21: Cruise Control, Electronically Controlled Transmission And A/T Indicator, Engine Control, Shift Lock (21 Of 33)
G12191908Courtesy of © TOYOTA, LICENSE AGREEMENT TMS1002
Fig 22: Cruise Control, Electronically Controlled Transmission And A/T Indicator, Engine Control, Shift Lock (22 Of 33)
G12191909Courtesy of © TOYOTA, LICENSE AGREEMENT TMS1002
Fig 23: Cruise Control, Electronically Controlled Transmission And A/T Indicator, Engine Control, Shift Lock (23 Of 33)
G12191910Courtesy of © TOYOTA, LICENSE AGREEMENT TMS1002
Fig 24: Cruise Control, Electronically Controlled Transmission And A/T Indicator, Engine Control, Shift Lock (24 Of 33)
G12191911Courtesy of © TOYOTA, LICENSE AGREEMENT TMS1002
Fig 25: Cruise Control, Electronically Controlled Transmission And A/T Indicator, Engine Control, Shift Lock (25 Of 33)
G12191912Courtesy of © TOYOTA, LICENSE AGREEMENT TMS1002
Fig 26: Cruise Control, Electronically Controlled Transmission And A/T Indicator, Engine Control, Shift Lock (26 Of 33)
G12191913Courtesy of © TOYOTA, LICENSE AGREEMENT TMS1002
Fig 27: Cruise Control, Electronically Controlled Transmission And A/T Indicator, Engine Control, Shift Lock (27 Of 33)
G12191914Courtesy of © TOYOTA, LICENSE AGREEMENT TMS1002
Fig 28: Cruise Control, Electronically Controlled Transmission And A/T Indicator, Engine Control, Shift Lock (28 Of 33)
G12191915Courtesy of © TOYOTA, LICENSE AGREEMENT TMS1002
Fig 29: Cruise Control, Electronically Controlled Transmission And A/T Indicator, Engine Control, Shift Lock (29 Of 33)
G12191916Courtesy of © TOYOTA, LICENSE AGREEMENT TMS1002
Fig 30: Cruise Control, Electronically Controlled Transmission And A/T Indicator, Engine Control, Shift Lock (30 Of 33)
G12191917Courtesy of © TOYOTA, LICENSE AGREEMENT TMS1002
Fig 31: Cruise Control, Electronically Controlled Transmission And A/T Indicator, Engine Control, Shift Lock (31 Of 33)
G12191918Courtesy of © TOYOTA, LICENSE AGREEMENT TMS1002
Fig 32: Cruise Control, Electronically Controlled Transmission And A/T Indicator, Engine Control, Shift Lock (32 Of 33)
G12191919Courtesy of © TOYOTA, LICENSE AGREEMENT TMS1002
Fig 33: Cruise Control, Electronically Controlled Transmission And A/T Indicator, Engine Control, Shift Lock (33 Of 33)
G12191920Courtesy of © TOYOTA, LICENSE AGREEMENT TMS1002