LEMON Manuals: Even more car manuals for everyone: 1960-2025
Home >> Toyota >> 2017 >> 86 Base, Standard Trans >> Repair and Diagnosis >> Electrical >> Body Electrical >> OEM System Circuits >> Engine Immobiliser System (W/O Smart Key System) >> System Diagrams
April 5, 2026: LEMON Manuals is launched! Read the announcement.

System Diagrams

Fig 1: Engine Immobiliser System (W/O Smart Key System) (1 Of 5)
G12191928Courtesy of © TOYOTA, LICENSE AGREEMENT TMS1002
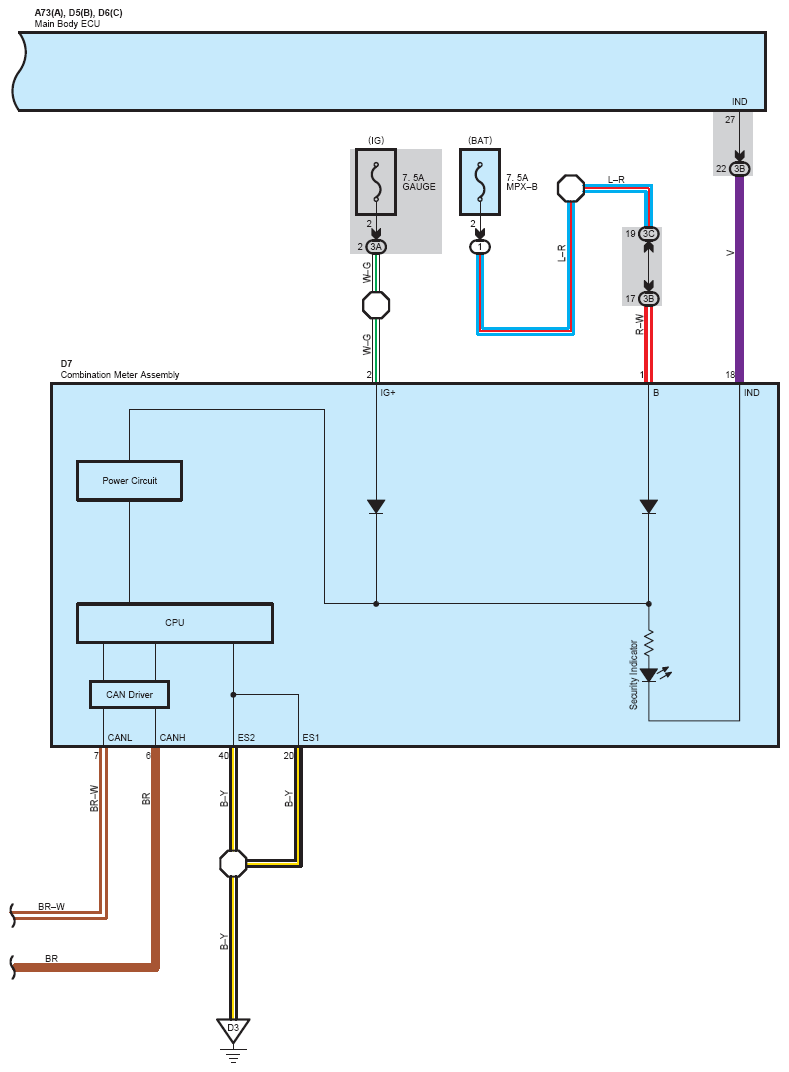
Fig 2: Engine Immobiliser System (W/O Smart Key System) (2 Of 5)
G12191929Courtesy of © TOYOTA, LICENSE AGREEMENT TMS1002
Fig 3: Engine Immobiliser System (W/O Smart Key System) (3 Of 5)
G12191930Courtesy of © TOYOTA, LICENSE AGREEMENT TMS1002
Fig 4: Engine Immobiliser System (W/O Smart Key System) (4 Of 5)
G12191931Courtesy of © TOYOTA, LICENSE AGREEMENT TMS1002
Fig 5: Engine Immobiliser System (W/O Smart Key System) (5 Of 5)
G12191932Courtesy of © TOYOTA, LICENSE AGREEMENT TMS1002