LEMON Manuals: Even more car manuals for everyone: 1960-2025
Home >> Toyota >> 2017 >> 86 Base, Standard Trans >> Repair and Diagnosis >> Electrical >> Body Electrical >> OEM System Circuits >> Remote Control Mirror >> System Diagrams
April 5, 2026: LEMON Manuals is launched! Read the announcement.

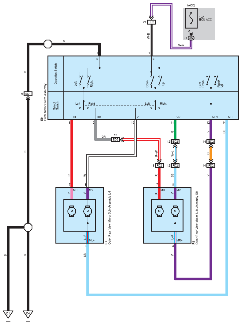
System Diagrams

Fig 1: Remote Control Mirror
G12192070Courtesy of © TOYOTA, LICENSE AGREEMENT TMS1002