LEMON Manuals: Even more car manuals for everyone: 1960-2025
Home >> Toyota >> 2017 >> 86 Base, Standard Trans >> Repair and Diagnosis >> Electrical >> Body Electrical >> OEM System Circuits >> Wireless Door Lock Control (W/O Smart Key System) >> System Diagrams
April 5, 2026: LEMON Manuals is launched! Read the announcement.

System Diagrams

Fig 1: Wireless Door Lock Control (W/O Smart Key System) (1 Of 8)
G12192139Courtesy of © TOYOTA, LICENSE AGREEMENT TMS1002
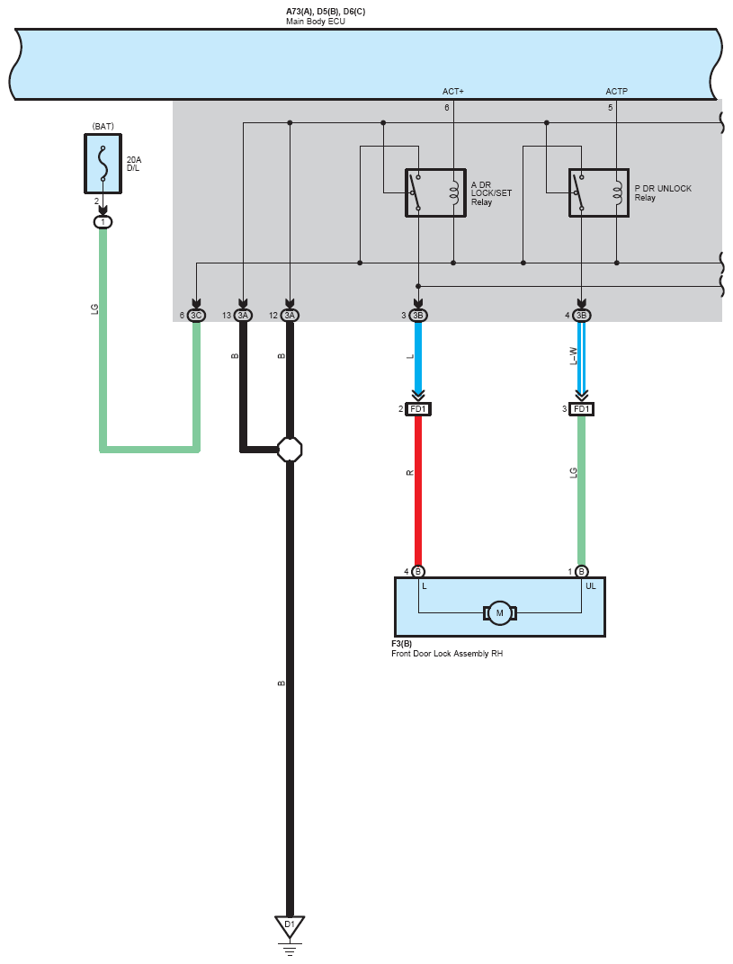
Fig 2: Wireless Door Lock Control (W/O Smart Key System) (2 Of 8)
G12192140Courtesy of © TOYOTA, LICENSE AGREEMENT TMS1002
Fig 3: Wireless Door Lock Control (W/O Smart Key System) (3 Of 8)
G12192141Courtesy of © TOYOTA, LICENSE AGREEMENT TMS1002
Fig 4: Wireless Door Lock Control (W/O Smart Key System) (4 Of 8)
G12192142Courtesy of © TOYOTA, LICENSE AGREEMENT TMS1002
Fig 5: Wireless Door Lock Control (W/O Smart Key System) (5 Of 8)
G12192143Courtesy of © TOYOTA, LICENSE AGREEMENT TMS1002
Fig 6: Wireless Door Lock Control (W/O Smart Key System) (6 Of 8)
G12192144Courtesy of © TOYOTA, LICENSE AGREEMENT TMS1002
Fig 7: Wireless Door Lock Control (W/O Smart Key System) (7 Of 8)
G12192145Courtesy of © TOYOTA, LICENSE AGREEMENT TMS1002
Fig 8: Wireless Door Lock Control (W/O Smart Key System) (8 Of 8)
G12192146Courtesy of © TOYOTA, LICENSE AGREEMENT TMS1002