LEMON Manuals: Even more car manuals for everyone: 1960-2025
Home >> Toyota >> 2017 >> Camry LE >> Repair and Diagnosis (Single Page) >> Electrical >> Body Electrical >> OEM Overall Electrical Wiring Diagram (Except Hybrid) >> Overall Electrical Wiring Diagram >> Engine Immobiliser System (W/Smart Key System), Smart Key System, Starting (W/Smart Key System), Steering Lock (W/Smart Key System) And Wireless Door Lock Control (W/Smart Key System)
April 5, 2026: LEMON Manuals is launched! Read the announcement.

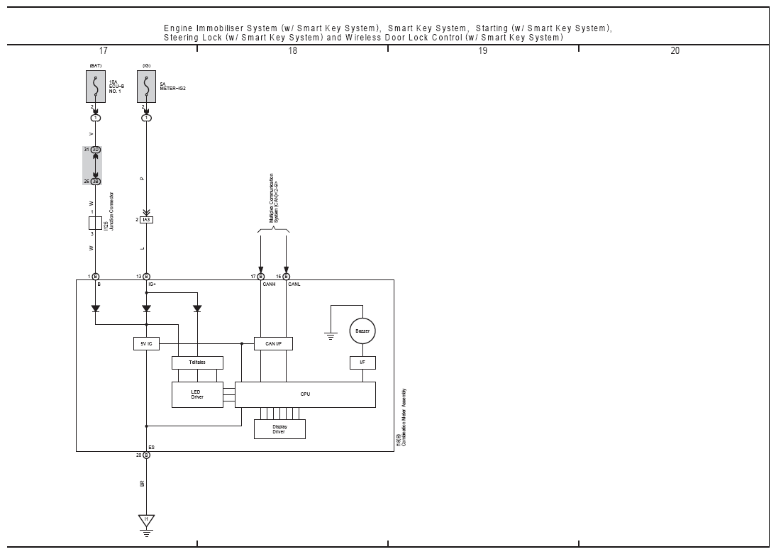
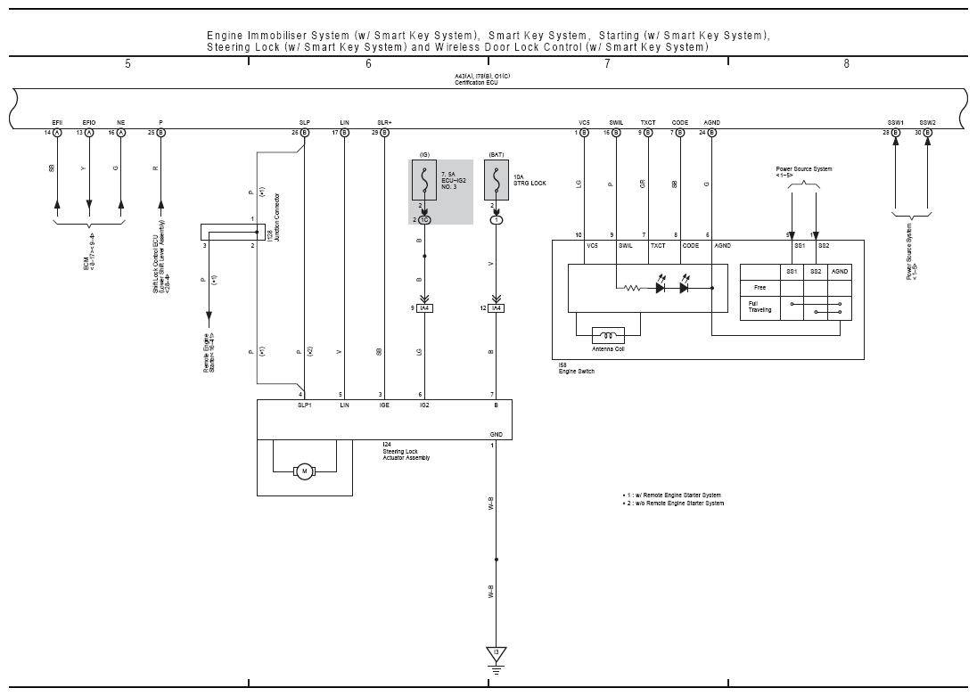
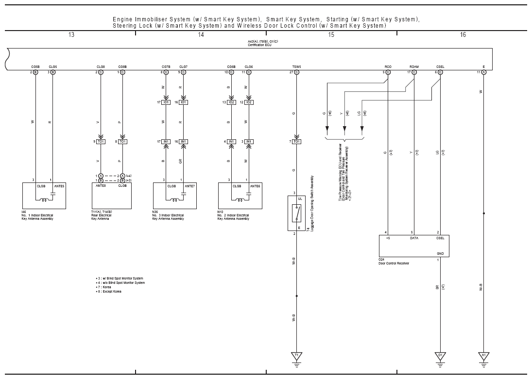
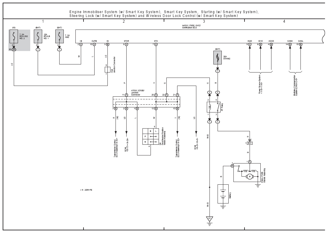
Engine Immobiliser System (W/Smart Key System), Smart Key System, Starting (W/Smart Key System), Steering Lock (W/Smart Key System) And Wireless Door Lock Control (W/Smart Key System)

G12194385Courtesy of © TOYOTA, LICENSE AGREEMENT TMS1002
G12194386Courtesy of © TOYOTA, LICENSE AGREEMENT TMS1002
G12194387Courtesy of © TOYOTA, LICENSE AGREEMENT TMS1002
G12194388Courtesy of © TOYOTA, LICENSE AGREEMENT TMS1002
G12194389Courtesy of © TOYOTA, LICENSE AGREEMENT TMS1002