LEMON Manuals: Even more car manuals for everyone: 1960-2025
Home >> Toyota >> 2017 >> Camry LE >> Repair and Diagnosis (Single Page) >> Electrical >> Fuses & Circuit Breakers >> OEM Junction Block, Ecu & Fuse/Relay Locations (Except Hybrid) >> Relay Block Identification >> Engine Room Relay Block Assembly And Engine Room Junction Block Assembly Inner Circuit
April 5, 2026: LEMON Manuals is launched! Read the announcement.

Engine Room Relay Block Assembly And Engine Room Junction Block Assembly Inner Circuit

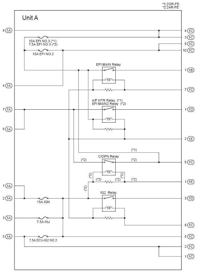
Fig 1: Engine Room R/B Assembly And Engine Room J/B Assembly Relay & Inner Circuit Diagram (1 Of 4)
G09104974Courtesy of © TOYOTA, LICENSE AGREEMENT TMS1002
ENGINE ROOM R/B AND J/B INNER CIRCUIT RELAY IDENTIFICATION

RELAY DESCRIPTION
EFI Main Relay
A/F HTR Relay(2GR-FE)
EFI Main2 Relay(2AR-FE)
C/OPN Relay
IG2 Relay
Fig 2: Engine Room R/B Assembly And Engine Room J/B Assembly Circuit Diagram (2 Of 4)
G09104975Courtesy of © TOYOTA, LICENSE AGREEMENT TMS1002
Fig 3: Engine Room R/B Assembly And Engine Room J/B Assembly Relay & Inner Circuit Diagram (3 Of 4)
G09104976Courtesy of © TOYOTA, LICENSE AGREEMENT TMS1002
ENGINE ROOM R/B AND J/B INNER CIRCUIT RELAY IDENTIFICATION

RELAY DESCRIPTION
Horn Relay
ST Relay
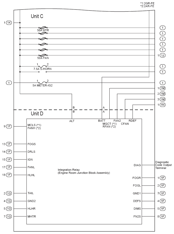
Fig 4: Engine Room R/B Assembly And Engine Room J/B Assembly Relay & Inner Circuit Diagram (4 Of 4)
G09104977Courtesy of © TOYOTA, LICENSE AGREEMENT TMS1002
ENGINE ROOM R/B AND J/B INNER CIRCUIT RELAY IDENTIFICATION

RELAY DESCRIPTION
Integration Relay (Engine Room Junction Block Assembly)