LEMON Manuals: Even more car manuals for everyone: 1960-2025
Home >> Toyota >> 2017 >> Corolla L >> Repair and Diagnosis (Single Page) >> Electrical >> Motors, Switches, Relays >> OEM Overall Electrical Wiring Diagram >> Overall Electrical Wiring Diagram >> Immobilizer System (W/Smart Key System), Smart Key System, Starting (W/Smart Key System), Steering Lock (W/Smart Key System), Wireless Door Lock Control (W/Smart Key System), Tire Pressure Warning System (W/Smart Key System), Tire Pressure Warning System (W/Smart Key System)
April 5, 2026: LEMON Manuals is launched! Read the announcement.

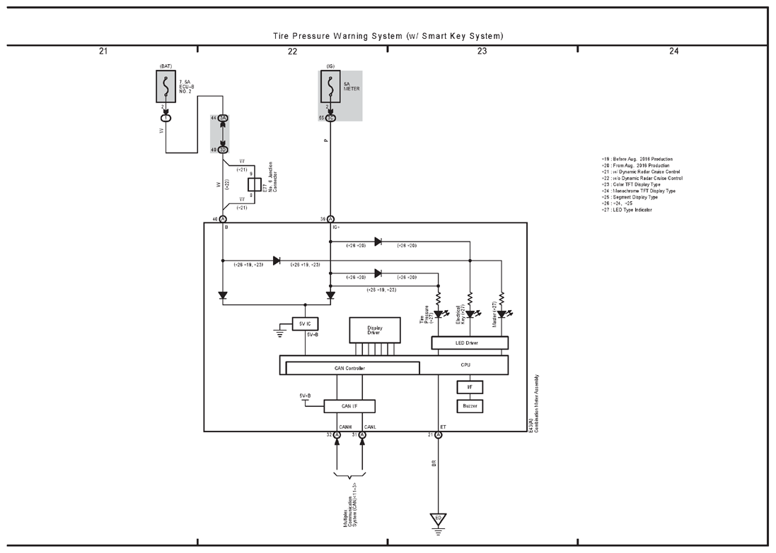
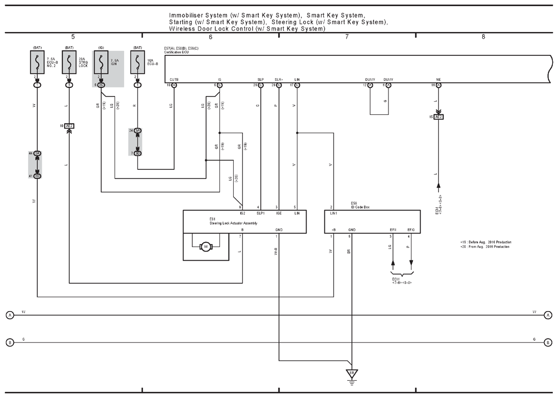
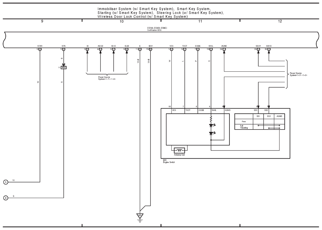
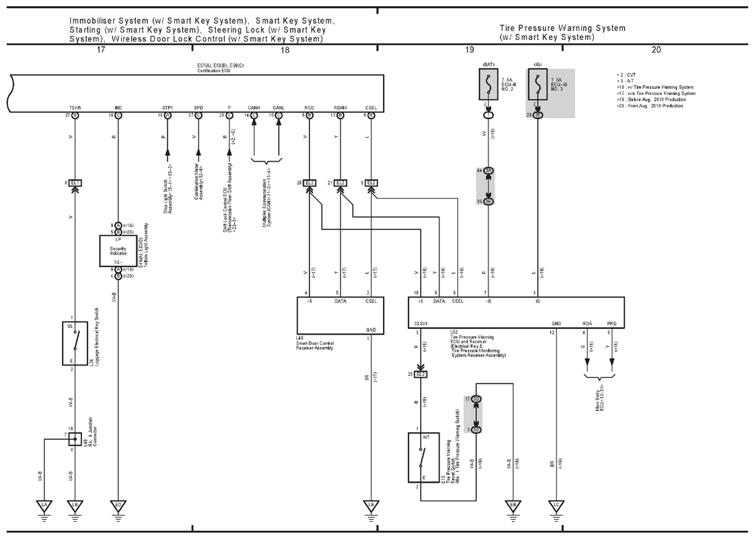
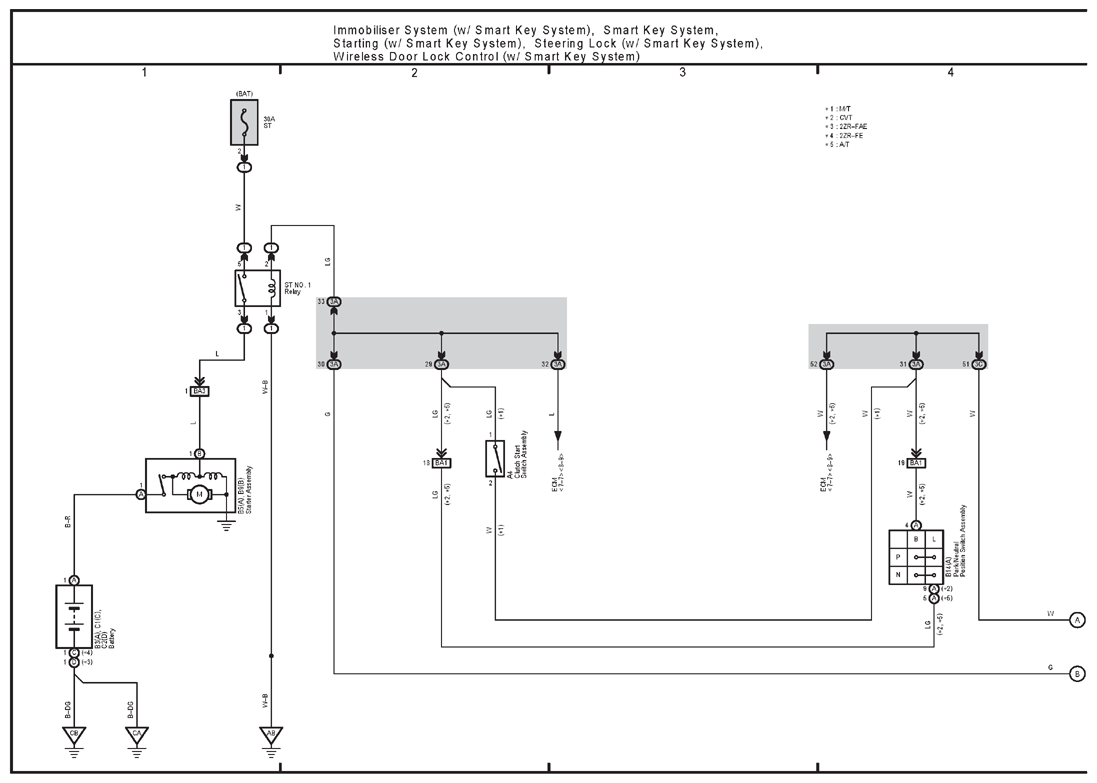
Immobilizer System (W/Smart Key System), Smart Key System, Starting (W/Smart Key System), Steering Lock (W/Smart Key System), Wireless Door Lock Control (W/Smart Key System), Tire Pressure Warning System (W/Smart Key System), Tire Pressure Warning System (W/Smart Key System)

G12200016
G12200017
G12200018
G12200019
G12200020
G12200021