LEMON Manuals: Even more car manuals for everyone: 1960-2025
Home >> Toyota >> 2017 >> Corolla L >> Repair and Diagnosis (Single Page) >> Electrical >> Motors, Switches, Relays >> OEM System Circuits >> Immobilizer System (W/Smart Key System), Smart Key System, Starting (W/Smart Key System), Steering Lock (W/Smart Key System), Wireless Door Lock Control (W/Smart Key System) >> System Diagrams
April 5, 2026: LEMON Manuals is launched! Read the announcement.

System Diagrams

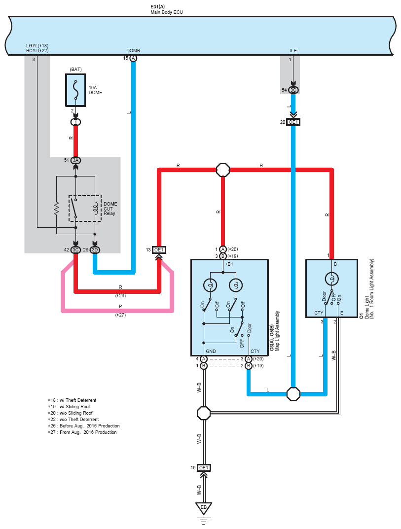
Fig 1: Immobilizer System (W/Smart Key System), Smart Key System, Starting (W/Smart Key System), Steering Lock (W/Smart Key System), Wireless Door Lock Control (W/Smart Key System) (1 Of 19)
G12199526Courtesy of © TOYOTA, LICENSE AGREEMENT TMS1002
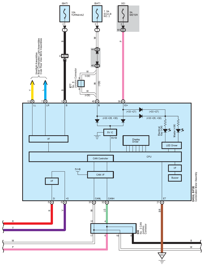
Fig 2: Immobilizer System (W/Smart Key System), Smart Key System, Starting (W/Smart Key System), Steering Lock (W/Smart Key System), Wireless Door Lock Control (W/Smart Key System) (2 Of 19)
G12199527Courtesy of © TOYOTA, LICENSE AGREEMENT TMS1002
Fig 3: Immobilizer System (W/Smart Key System), Smart Key System, Starting (W/Smart Key System), Steering Lock (W/Smart Key System), Wireless Door Lock Control (W/Smart Key System) (3 Of 19)
G12199528Courtesy of © TOYOTA, LICENSE AGREEMENT TMS1002
Fig 4: Immobilizer System (W/Smart Key System), Smart Key System, Starting (W/Smart Key System), Steering Lock (W/Smart Key System), Wireless Door Lock Control (W/Smart Key System) (4 Of 19)
G12199529Courtesy of © TOYOTA, LICENSE AGREEMENT TMS1002
Fig 5: Immobilizer System (W/Smart Key System), Smart Key System, Starting (W/Smart Key System), Steering Lock (W/Smart Key System), Wireless Door Lock Control (W/Smart Key System) (5 Of 19)
G12199530Courtesy of © TOYOTA, LICENSE AGREEMENT TMS1002
Fig 6: Immobilizer System (W/Smart Key System), Smart Key System, Starting (W/Smart Key System), Steering Lock (W/Smart Key System), Wireless Door Lock Control (W/Smart Key System) (6 Of 19)
G12199531Courtesy of © TOYOTA, LICENSE AGREEMENT TMS1002
Fig 7: Immobilizer System (W/Smart Key System), Smart Key System, Starting (W/Smart Key System), Steering Lock (W/Smart Key System), Wireless Door Lock Control (W/Smart Key System) (7 Of 19)
G12199532Courtesy of © TOYOTA, LICENSE AGREEMENT TMS1002
Fig 8: Immobilizer System (W/Smart Key System), Smart Key System, Starting (W/Smart Key System), Steering Lock (W/Smart Key System), Wireless Door Lock Control (W/Smart Key System) (8 Of 19)
G12199533Courtesy of © TOYOTA, LICENSE AGREEMENT TMS1002
Fig 9: Immobilizer System (W/Smart Key System), Smart Key System, Starting (W/Smart Key System), Steering Lock (W/Smart Key System), Wireless Door Lock Control (W/Smart Key System) (9 Of 19)
G12199534Courtesy of © TOYOTA, LICENSE AGREEMENT TMS1002
Fig 10: Immobilizer System (W/Smart Key System), Smart Key System, Starting (W/Smart Key System), Steering Lock (W/Smart Key System), Wireless Door Lock Control (W/Smart Key System) (10 Of 19)
G12199535Courtesy of © TOYOTA, LICENSE AGREEMENT TMS1002
Fig 11: Immobilizer System (W/Smart Key System), Smart Key System, Starting (W/Smart Key System), Steering Lock (W/Smart Key System), Wireless Door Lock Control (W/Smart Key System) (11 Of 19)
G12199536Courtesy of © TOYOTA, LICENSE AGREEMENT TMS1002
Fig 12: Immobilizer System (W/Smart Key System), Smart Key System, Starting (W/Smart Key System), Steering Lock (W/Smart Key System), Wireless Door Lock Control (W/Smart Key System) (12 Of 19)
G12199537Courtesy of © TOYOTA, LICENSE AGREEMENT TMS1002
Fig 13: Immobilizer System (W/Smart Key System), Smart Key System, Starting (W/Smart Key System), Steering Lock (W/Smart Key System), Wireless Door Lock Control (W/Smart Key System) (13 Of 19)
G12199538Courtesy of © TOYOTA, LICENSE AGREEMENT TMS1002
Fig 14: Immobilizer System (W/Smart Key System), Smart Key System, Starting (W/Smart Key System), Steering Lock (W/Smart Key System), Wireless Door Lock Control (W/Smart Key System) (14 Of 19)
G12199539Courtesy of © TOYOTA, LICENSE AGREEMENT TMS1002
Fig 15: Immobilizer System (W/Smart Key System), Smart Key System, Starting (W/Smart Key System), Steering Lock (W/Smart Key System), Wireless Door Lock Control (W/Smart Key System) (15 Of 19)
G12199540Courtesy of © TOYOTA, LICENSE AGREEMENT TMS1002
Fig 16: Immobilizer System (W/Smart Key System), Smart Key System, Starting (W/Smart Key System), Steering Lock (W/Smart Key System), Wireless Door Lock Control (W/Smart Key System) (16 Of 19)
G12199541Courtesy of © TOYOTA, LICENSE AGREEMENT TMS1002
Fig 17: Immobilizer System (W/Smart Key System), Smart Key System, Starting (W/Smart Key System), Steering Lock (W/Smart Key System), Wireless Door Lock Control (W/Smart Key System) (17 Of 19)
G12199542Courtesy of © TOYOTA, LICENSE AGREEMENT TMS1002
Fig 18: Immobilizer System (W/Smart Key System), Smart Key System, Starting (W/Smart Key System), Steering Lock (W/Smart Key System), Wireless Door Lock Control (W/Smart Key System) (18 Of 19)
G12199543Courtesy of © TOYOTA, LICENSE AGREEMENT TMS1002
Fig 19: Immobilizer System (W/Smart Key System), Smart Key System, Starting (W/Smart Key System), Steering Lock (W/Smart Key System), Wireless Door Lock Control (W/Smart Key System) (19 Of 19)
G12199544Courtesy of © TOYOTA, LICENSE AGREEMENT TMS1002