LEMON Manuals: Even more car manuals for everyone: 1960-2025
Home >> Toyota >> 2017 >> Corolla L >> Repair and Diagnosis (Single Page) >> Steering >> Steering Column >> Steering Lock System - Diagnostic Codes & Symptom Tests (Model Code: ZRE172) >> Steering Lock System >> Symptom Test >> Unable to Unlock Steering Wheel (Engine cannot Start) [08/2013 - ] >> Wiring Diagram
April 5, 2026: LEMON Manuals is launched! Read the announcement.

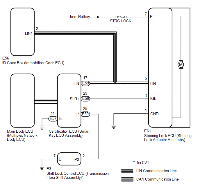
Unable to Unlock Steering Wheel (Engine cannot Start) [08/2013 - ]: Wiring Diagram

GTY447530Courtesy of © TOYOTA, LICENSE AGREEMENT TMS1002