LEMON Manuals: Even more car manuals for everyone: 1960-2025
Home >> Toyota >> 2017 >> Corolla L >> Repair and Diagnosis (Single Page) >> Transmission >> Automatic Trans >> Continuously Variable Transaxle - Diagnostic Codes (1 Of 3) (Model Code: ZRE172) >> Continuously Variable Transaxle System >> DTC P0705: Transmission Range Sensor Circuit Malfunction (PRNDL Input) [08/2013 - 08/2016] >> Wiring Diagram
April 5, 2026: LEMON Manuals is launched! Read the announcement.

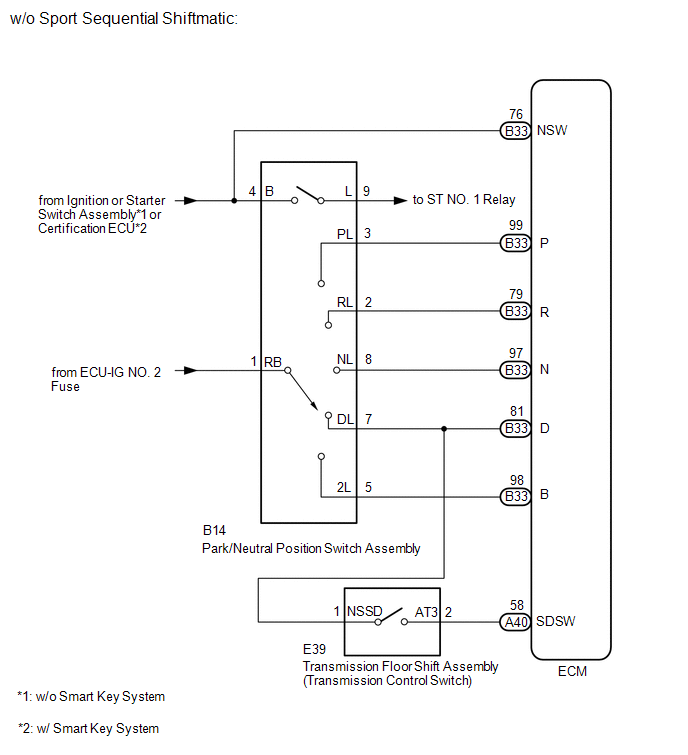
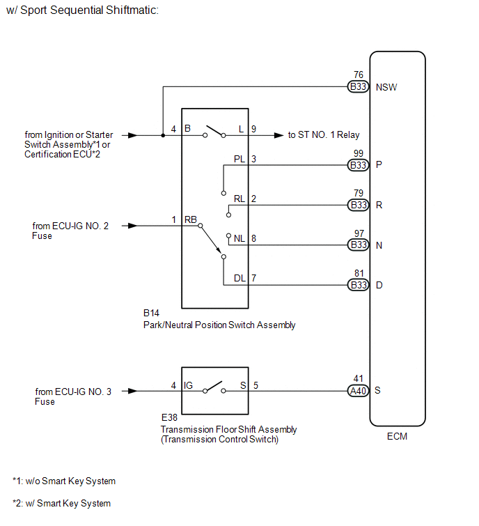
DTC P0705: Transmission Range Sensor Circuit Malfunction (PRNDL Input) [08/2013 - 08/2016]: Wiring Diagram

GTY449976Courtesy of © TOYOTA, LICENSE AGREEMENT TMS1002
GTY430509Courtesy of © TOYOTA, LICENSE AGREEMENT TMS1002