LEMON Manuals: Even more car manuals for everyone: 1960-2025
Home >> Toyota >> 2017 >> Corolla LE >> Repair and Diagnosis (Single Page) >> Electrical >> Fuses & Circuit Breakers >> OEM Junction Block, Ecu & Fuse/Relay Locations (Model Code: ZRE172) >> Relay Block Identification >> Engine Room Relay Block And Engine Room Junction Block Inner Circuit
April 5, 2026: LEMON Manuals is launched! Read the announcement.

Engine Room Relay Block And Engine Room Junction Block Inner Circuit

Fig 1: Engine Room R/B And J/B Inner Circuit Diagram (1 of 4)
G00405985Courtesy of © TOYOTA, LICENSE AGREEMENT TMS1002
Fig 2: Engine Room R/B And J/B Inner Circuit Diagram (2 of 4)
G00405986Courtesy of © TOYOTA, LICENSE AGREEMENT TMS1002
Fig 3: Engine Room R/B And J/B Inner Circuit Diagram (3 of 4)
G00405987Courtesy of © TOYOTA, LICENSE AGREEMENT TMS1002
ENGINE ROOM R/B AND J/B INNER CIRCUIT RELAY IDENTIFICATION

RELAY DESCRIPTION
EFI-MAIN Relay
H-LP Relay
DIM Relay
IG2 Relay
IGT/INJ Relay
ST NO. 1 Relay
BKUP LP Relay
S-HORN Relay
DEF Relay
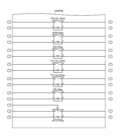
Fig 4: Engine Room R/B And J/B Inner Circuit Diagram (4 of 4)
G00405988Courtesy of © TOYOTA, LICENSE AGREEMENT TMS1002
ENGINE ROOM R/B AND J/B INNER CIRCUIT RELAY IDENTIFICATION

RELAY DESCRIPTION
FAN NO. 1 Relay
HORN Relay
MGC Relay
PTC NO. 1 Relay
PTC NO. 3 Relay
DRL Relay
STP LP Relay