LEMON Manuals: Even more car manuals for everyone: 1960-2025
Home >> Toyota >> 2017 >> Corolla LE >> Repair and Diagnosis >> Electrical >> Body Electrical >> OEM System Circuits >> Data Link Connector 3 >> System Diagrams
April 5, 2026: LEMON Manuals is launched! Read the announcement.

System Diagrams

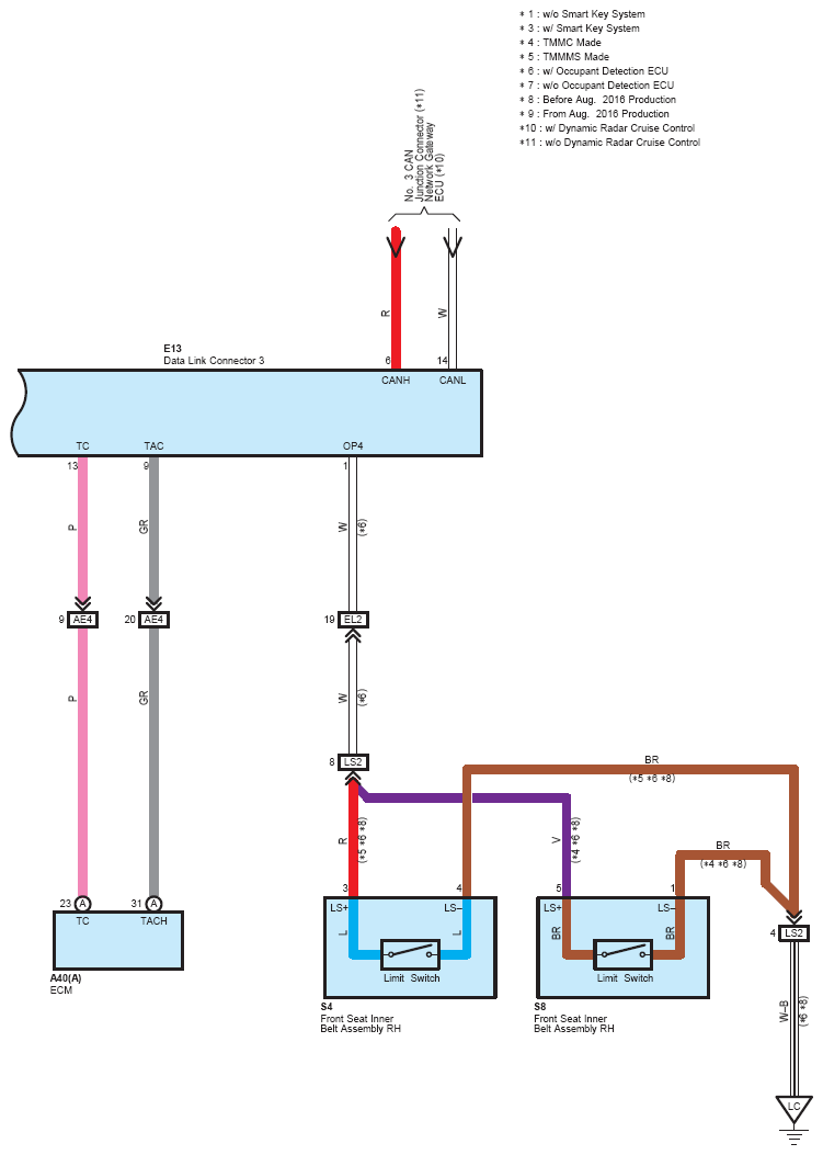
Fig 1: Data Link Connector 3 (1 Of 2)
G12199445Courtesy of © TOYOTA, LICENSE AGREEMENT TMS1002
Fig 2: Data Link Connector 3 (2 Of 2)
G12199446Courtesy of © TOYOTA, LICENSE AGREEMENT TMS1002