LEMON Manuals: Even more car manuals for everyone: 1960-2025
Home >> Toyota >> 2017 >> Corolla LE >> Repair and Diagnosis >> Electrical >> Body Electrical >> OEM System Circuits >> EPS >> System Diagrams
April 5, 2026: LEMON Manuals is launched! Read the announcement.

System Diagrams

Fig 1: EPS (1 Of 4)
G12199518Courtesy of © TOYOTA, LICENSE AGREEMENT TMS1002
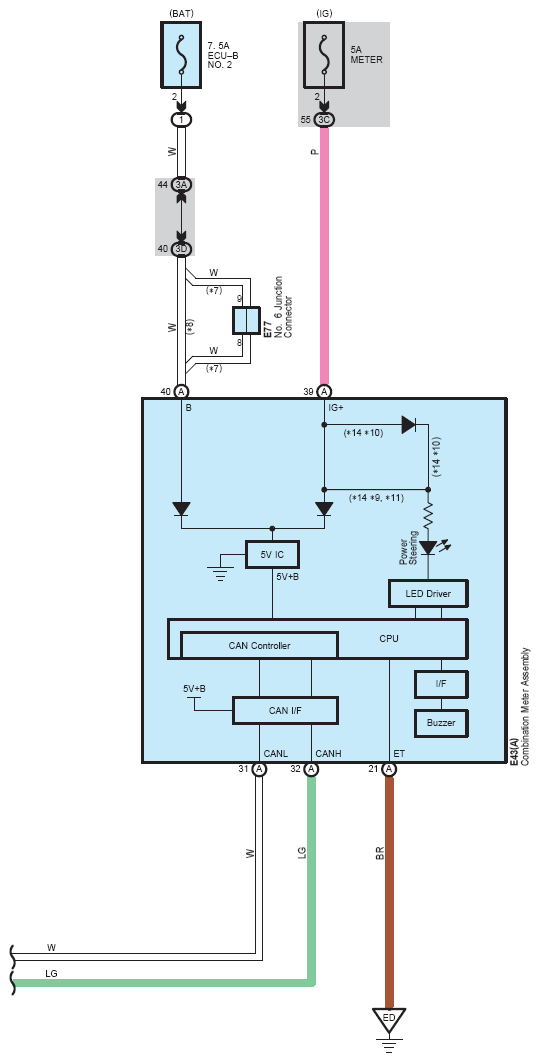
Fig 2: EPS (2 Of 4)
G12199519Courtesy of © TOYOTA, LICENSE AGREEMENT TMS1002
Fig 3: EPS (3 Of 4)
G12199520Courtesy of © TOYOTA, LICENSE AGREEMENT TMS1002
Fig 4: EPS (4 Of 4)
G12199521Courtesy of © TOYOTA, LICENSE AGREEMENT TMS1002