LEMON Manuals: Even more car manuals for everyone: 1960-2025
Home >> Toyota >> 2017 >> Corolla LE >> Repair and Diagnosis >> Electrical >> Body Electrical >> OEM System Circuits >> Immobilizer System (W/O Smart Key System) >> System Diagrams
April 5, 2026: LEMON Manuals is launched! Read the announcement.

System Diagrams

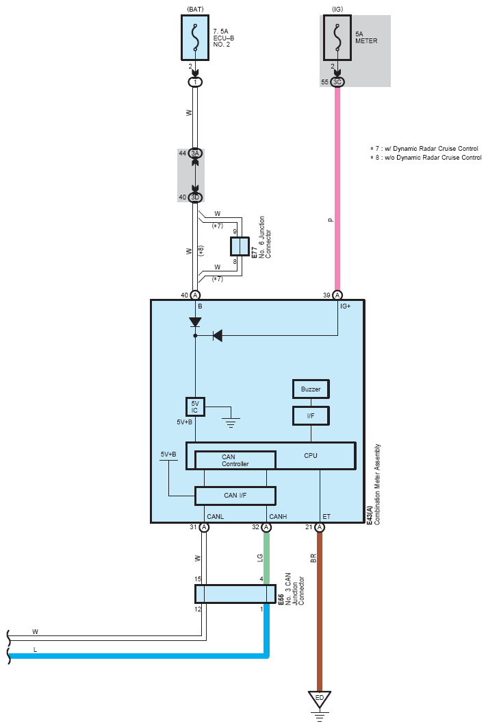
Fig 1: Immobilizer System (W/O Smart Key System) (1 Of 3)
G12199512Courtesy of © TOYOTA, LICENSE AGREEMENT TMS1002
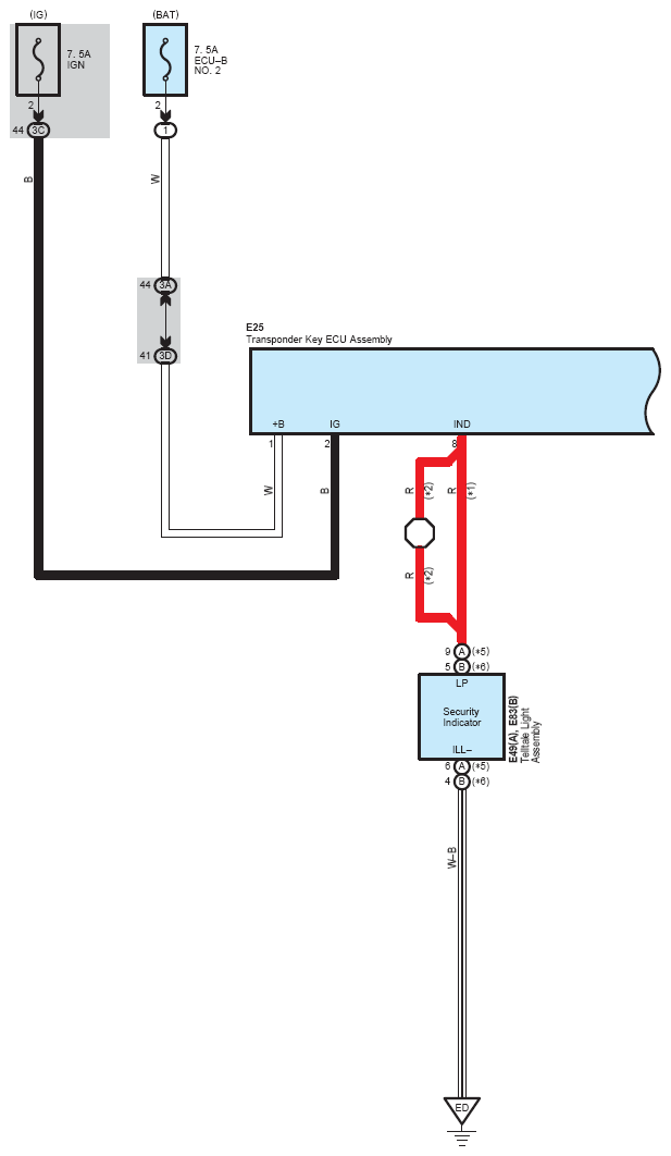
Fig 2: Immobilizer System (W/O Smart Key System) (2 Of 3)
G12199513Courtesy of © TOYOTA, LICENSE AGREEMENT TMS1002
Fig 3: Immobilizer System (W/O Smart Key System) (3 Of 3)
G12199514Courtesy of © TOYOTA, LICENSE AGREEMENT TMS1002