LEMON Manuals: Even more car manuals for everyone: 1960-2025
Home >> Toyota >> 2017 >> Corolla LE >> Repair and Diagnosis >> Restraints >> Restraints Control Systems >> Seat Belt Warning System (W/ Occupant Classification System) - Diagnostics & Symptom Tests (Model Code: ZRE172) >> SEAT BELT WARNING SYSTEM (W/ Occupant Classification System) >> Front Passenger Side Seat Belt Warning Light Malfunction [08/2013 - 04/2014] >> Wiring Diagram
April 5, 2026: LEMON Manuals is launched! Read the announcement.

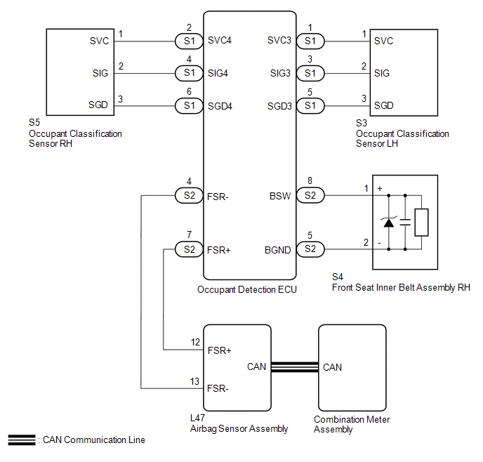
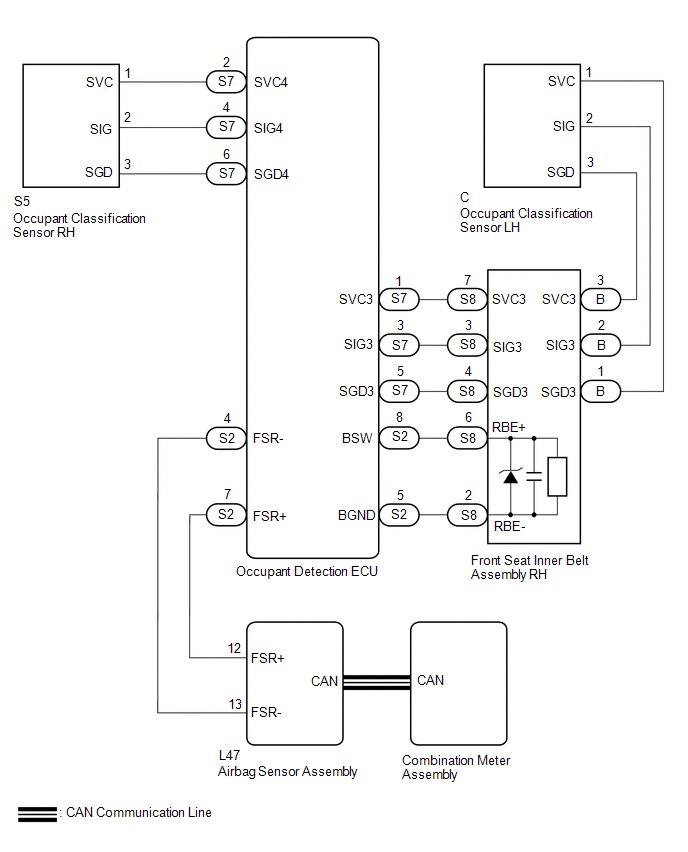
Front Passenger Side Seat Belt Warning Light Malfunction [08/2013 - 04/2014]: Wiring Diagram

  1. for TMMMS Made 
    GTY452995Courtesy of © TOYOTA, LICENSE AGREEMENT TMS1002
  2. for TMMC Made 
    GTY435299Courtesy of © TOYOTA, LICENSE AGREEMENT TMS1002