LEMON Manuals: Even more car manuals for everyone: 1960-2025
Home >> Toyota >> 2017 >> Corolla SE, Automatic CVT Trans >> Repair and Diagnosis >> External Pages >> Different variant/trim >> Section 13 (Engine Control System (2ZR-FAE) - Diagnostic Codes (2 Of 8) (Model Code: ZRE172)) >> SFI System >> DTC P0107, P0108; Manifold Absolute Pressure / Barometric Pressure Circuit Low Input [08/2015 - 08/2016] >> Wiring Diagram
April 5, 2026: LEMON Manuals is launched! Read the announcement.

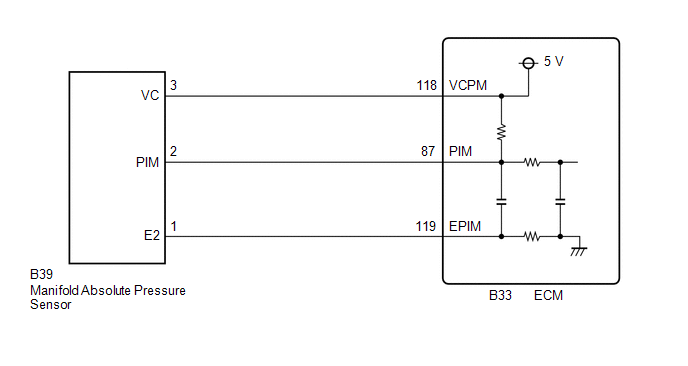
DTC P0107, P0108; Manifold Absolute Pressure / Barometric Pressure Circuit Low Input [08/2015 - 08/2016]: Wiring Diagram

WARNING: This page is about a different variant/trim than selected.
GTY443732Courtesy of © TOYOTA, LICENSE AGREEMENT TMS1002