LEMON Manuals: Even more car manuals for everyone: 1960-2025
Home >> Toyota >> 2017 >> Corolla SE, Automatic CVT Trans >> Repair and Diagnosis >> Restraints >> Restraints Control Systems >> Pre-Collision System - Diagnostic Codes & Circuit Tests (Model Code: ZRE172) >> Pre-Collision System >> DTC C1A4B: Stop Light Relay Circuit [08/2016 - ] >> Wiring Diagram
April 5, 2026: LEMON Manuals is launched! Read the announcement.

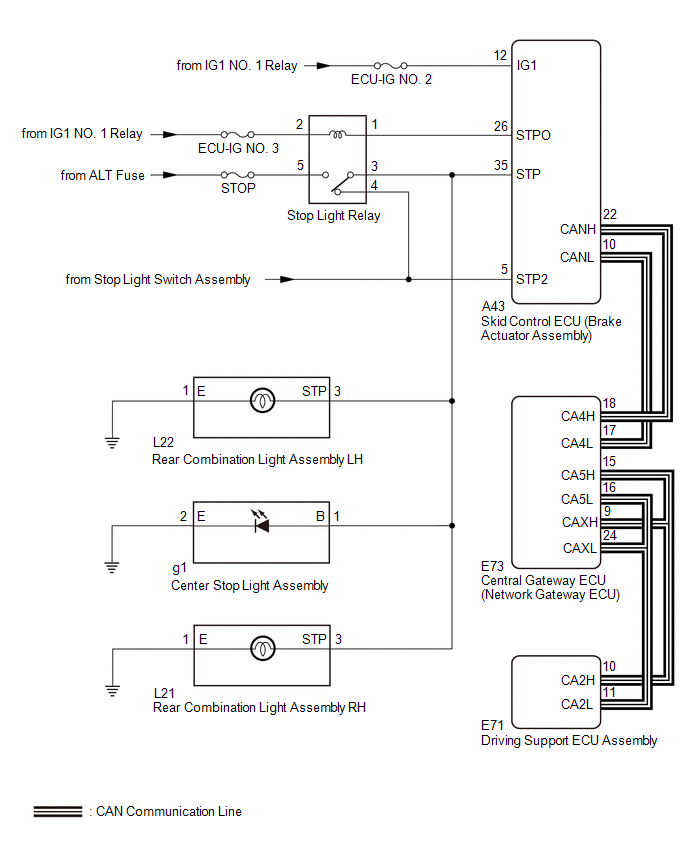
DTC C1A4B: Stop Light Relay Circuit [08/2016 - ]: Wiring Diagram

GTY722450Courtesy of © TOYOTA, LICENSE AGREEMENT TMS1002