LEMON Manuals: Even more car manuals for everyone: 1960-2025
Home >> Toyota >> 2017 >> Corolla SE, Automatic CVT Trans >> Repair and Diagnosis >> Steering >> Manual Steering >> Power Steering System - Diagnostics - Introduction (Model Code: ZRE172) >> Power Steering System >> System Diagram [08/2013 - 08/2014] >> System Diagram [08/2013 - 08/2014]
April 5, 2026: LEMON Manuals is launched! Read the announcement.

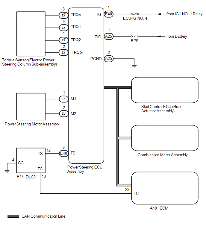
System Diagram [08/2013 - 08/2014]

Fig 1: Power Steering System Circuit Diagram
GTY448710Courtesy of © TOYOTA, LICENSE AGREEMENT TMS1002