LEMON Manuals: Even more car manuals for everyone: 1960-2025
Home >> Toyota >> 2017 >> Corolla SE, Standard Trans >> Repair and Diagnosis >> Restraints >> Restraints Control Systems >> Seat Belt Warning System (W/ Occupant Classification System) - Diagnostics & Symptom Tests (Model Code: ZRE172) >> SEAT BELT WARNING SYSTEM (W/ Occupant Classification System) >> Front Passenger Side Seat Belt Warning Light Malfunction [08/2016 - ] >> Wiring Diagram
April 5, 2026: LEMON Manuals is launched! Read the announcement.

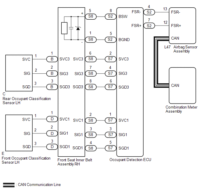
Front Passenger Side Seat Belt Warning Light Malfunction [08/2016 - ]: Wiring Diagram

  1. for TMMMS Made 
    GTY744699Courtesy of © TOYOTA, LICENSE AGREEMENT TMS1002
  2. for TMMC Made 
    GTY744403Courtesy of © TOYOTA, LICENSE AGREEMENT TMS1002