LEMON Manuals: Even more car manuals for everyone: 1960-2025
Home >> Toyota >> 2017 >> Corolla iM Automatic CVT Trans >> Repair and Diagnosis (Single Page) >> Transmission >> Automatic Trans >> Continuously Variable Transaxle [K313] - Diagnostic Codes & Circuit Tests >> Continuously Variable Transaxle System >> Circuit Test >> Transmission Control Switch Circuit [08/2016 - ] >> Wiring Diagram
April 5, 2026: LEMON Manuals is launched! Read the announcement.

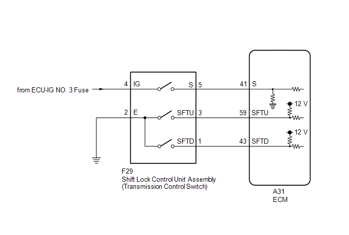
Transmission Control Switch Circuit [08/2016 - ]: Wiring Diagram

GTY489967Courtesy of © TOYOTA, LICENSE AGREEMENT TMS1002