LEMON Manuals: Even more car manuals for everyone: 1960-2025
Home >> Toyota >> 2017 >> Corolla iM Standard Trans >> Repair and Diagnosis >> Electrical >> Body Electrical >> OEM System Circuits >> Charging >> System Diagrams
April 5, 2026: LEMON Manuals is launched! Read the announcement.

System Diagrams

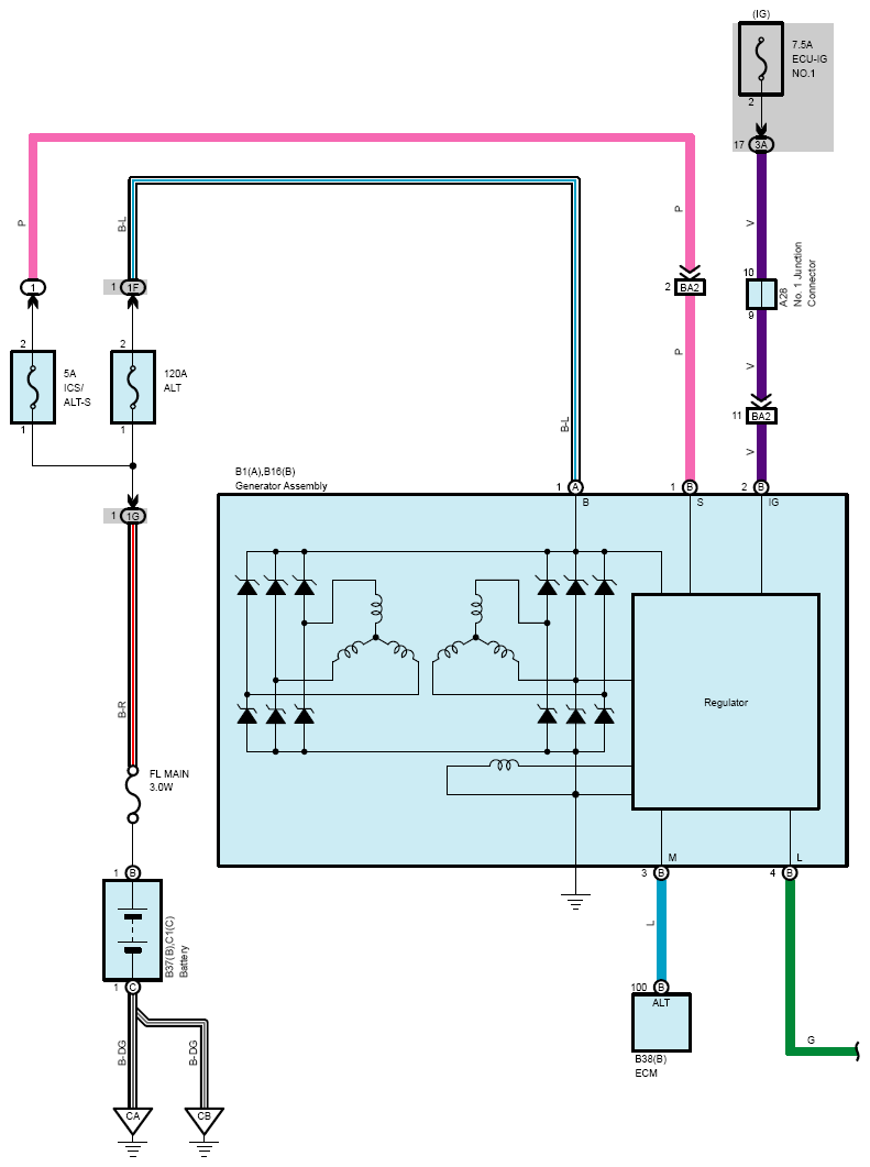
Fig 1: Charging (1 Of 2)
G12205467Courtesy of © TOYOTA, LICENSE AGREEMENT TMS1002
Fig 2: Charging (2 Of 2)
G12205468Courtesy of © TOYOTA, LICENSE AGREEMENT TMS1002