LEMON Manuals: Even more car manuals for everyone: 1960-2025
Home >> Toyota >> 2017 >> Highlander LE Plus, AWD >> Repair and Diagnosis (Single Page) >> Accessories & Equipment >> Anti-Theft Systems >> Wireless Door Lock Control System (W/ Smart Key) - Diagnostics - Introduction - (Except Hybrid) >> WIRELESS DOOR LOCK CONTROL SYSTEM (W/ Smart Key System) >> System Diagram [12/2013 - 11/2015] >> System Wiring Diagram [12/2013 - 11/2015]
April 5, 2026: LEMON Manuals is launched! Read the announcement.

System Wiring Diagram [12/2013 - 11/2015]

  1. Wireless Door Lock Control System 
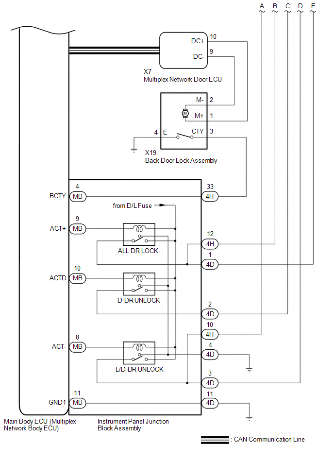
    Fig 1: Wireless Door Lock Control System (w/ Smart Key System) Wiring Diagram (1 Of 5) (12/2013 - 11/2015)
    GTY432791Courtesy of © TOYOTA, LICENSE AGREEMENT TMS1002
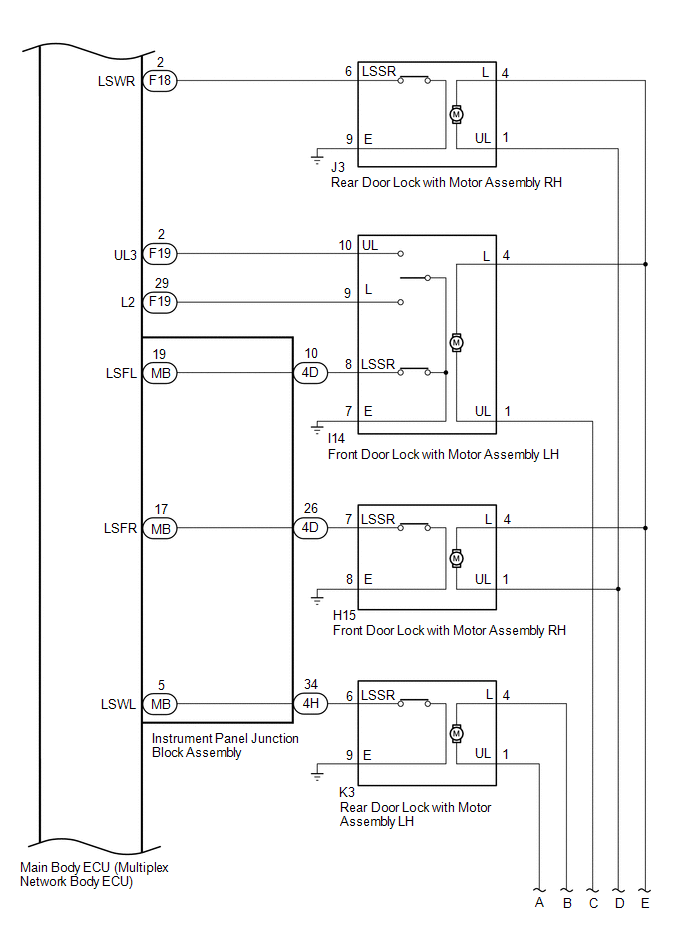
    Fig 2: Wireless Door Lock Control System (w/ Smart Key System) Wiring Diagram (2 Of 5) (12/2013 - 11/2015)
    GTY448185Courtesy of © TOYOTA, LICENSE AGREEMENT TMS1002
    Fig 3: Wireless Door Lock Control System (w/ Smart Key System) Wiring Diagram (3 Of 5) (12/2013 - 11/2015)
    GTY433577Courtesy of © TOYOTA, LICENSE AGREEMENT TMS1002
    Fig 4: Wireless Door Lock Control System (w/ Smart Key System) Wiring Diagram (4 Of 5) (12/2013 - 11/2015)
    GTY447860Courtesy of © TOYOTA, LICENSE AGREEMENT TMS1002
    Fig 5: Wireless Door Lock Control System (w/ Smart Key System) Wiring Diagram (5 Of 5) (12/2013 - 11/2015)
    GTY455063Courtesy of © TOYOTA, LICENSE AGREEMENT TMS1002
    COMMUNICATION TABLE

    Sender Receiver Signal Line
    Certification ECU
    (Smart Key ECU Assembly)
    Main Body ECU
    (Multiplex Network Body ECU)
    • Wireless door lock/unlock signal
    • Wireless door lock buzzer sound request signal
    CAN
    Main Body ECU
    (Multiplex Network Body ECU)
    Combination Meter Assembly Wireless door lock hazard warning light request signal CAN
    Multiplex Network Door ECU Main Body ECU (Multiplex Network Body ECU) Power back door control signal CAN