LEMON Manuals: Even more car manuals for everyone: 1960-2025
Home >> Toyota >> 2017 >> Highlander LE Plus, AWD >> Repair and Diagnosis (Single Page) >> Body & Frame >> Windows >> Power Window Control System (Jam Protection Front Windows) - Diagnostic Codes & Symptom Tests - (Except Hybrid) >> POWER WINDOW CONTROL SYSTEM (for Models with Jam Protection Function on Front Door Windows) >> Symptom Tests >> Driver Side Power Window does not Operate with Power Window Master Switch [12/2013 - ] >> Wiring Diagram
April 5, 2026: LEMON Manuals is launched! Read the announcement.

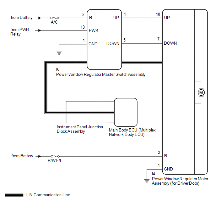
Driver Side Power Window does not Operate with Power Window Master Switch [12/2013 - ]: Wiring Diagram

GTY452320Courtesy of © TOYOTA, LICENSE AGREEMENT TMS1002