LEMON Manuals: Even more car manuals for everyone: 1960-2025
Home >> Toyota >> 2017 >> Highlander LE Plus, AWD >> Repair and Diagnosis (Single Page) >> Electrical >> Body Electrical >> OEM System Circuits (Except Hybrid) >> Audio System (12 Speaker), Back Guide Monitor System (12 Speaker), Navigation System (12 Speaker) >> System Diagrams
April 5, 2026: LEMON Manuals is launched! Read the announcement.

System Diagrams

Fig 1: Audio System (12 Speaker), Back Guide Monitor System (12 Speaker), Navigation System (12 Speaker) (1 Of 20)
G12240527Courtesy of © TOYOTA, LICENSE AGREEMENT TMS1002
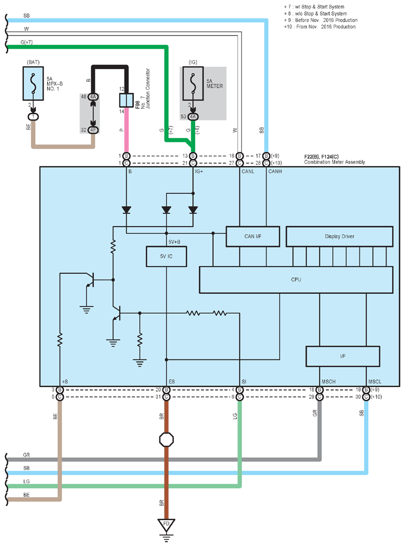
Fig 2: Audio System (12 Speaker), Back Guide Monitor System (12 Speaker), Navigation System (12 Speaker) (2 Of 20)
G12240528Courtesy of © TOYOTA, LICENSE AGREEMENT TMS1002
Fig 3: Audio System (12 Speaker), Back Guide Monitor System (12 Speaker), Navigation System (12 Speaker) (3 Of 20)
G12240529Courtesy of © TOYOTA, LICENSE AGREEMENT TMS1002
Fig 4: Audio System (12 Speaker), Back Guide Monitor System (12 Speaker), Navigation System (12 Speaker) (4 Of 20)
G12240530Courtesy of © TOYOTA, LICENSE AGREEMENT TMS1002
Fig 5: Audio System (12 Speaker), Back Guide Monitor System (12 Speaker), Navigation System (12 Speaker) (5 Of 20)
G12240531Courtesy of © TOYOTA, LICENSE AGREEMENT TMS1002
Fig 6: Audio System (12 Speaker), Back Guide Monitor System (12 Speaker), Navigation System (12 Speaker) (6 Of 20)
G12240532Courtesy of © TOYOTA, LICENSE AGREEMENT TMS1002
Fig 7: Audio System (12 Speaker), Back Guide Monitor System (12 Speaker), Navigation System (12 Speaker) (7 Of 20)
G12240533Courtesy of © TOYOTA, LICENSE AGREEMENT TMS1002
Fig 8: Audio System (12 Speaker), Back Guide Monitor System (12 Speaker), Navigation System (12 Speaker) (8 Of 20)
G12240534Courtesy of © TOYOTA, LICENSE AGREEMENT TMS1002
Fig 9: Audio System (12 Speaker), Back Guide Monitor System (12 Speaker), Navigation System (12 Speaker) (9 Of 20)
G12240535Courtesy of © TOYOTA, LICENSE AGREEMENT TMS1002
Fig 10: Audio System (12 Speaker), Back Guide Monitor System (12 Speaker), Navigation System (12 Speaker) (10 Of 20)
G12240536Courtesy of © TOYOTA, LICENSE AGREEMENT TMS1002
Fig 11: Audio System (12 Speaker), Back Guide Monitor System (12 Speaker), Navigation System (12 Speaker) (11 Of 20)
G12240537Courtesy of © TOYOTA, LICENSE AGREEMENT TMS1002
Fig 12: Audio System (12 Speaker), Back Guide Monitor System (12 Speaker), Navigation System (12 Speaker) (12 Of 20)
G12240538Courtesy of © TOYOTA, LICENSE AGREEMENT TMS1002
Fig 13: Audio System (12 Speaker), Back Guide Monitor System (12 Speaker), Navigation System (12 Speaker) (13 Of 20)
G12240539Courtesy of © TOYOTA, LICENSE AGREEMENT TMS1002
Fig 14: Audio System (12 Speaker), Back Guide Monitor System (12 Speaker), Navigation System (12 Speaker) (14 Of 20)
G12240540Courtesy of © TOYOTA, LICENSE AGREEMENT TMS1002
Fig 15: Audio System (12 Speaker), Back Guide Monitor System (12 Speaker), Navigation System (12 Speaker) (15 Of 20)
G12240541Courtesy of © TOYOTA, LICENSE AGREEMENT TMS1002
Fig 16: Audio System (12 Speaker), Back Guide Monitor System (12 Speaker), Navigation System (12 Speaker) (16 Of 20)
G12240542Courtesy of © TOYOTA, LICENSE AGREEMENT TMS1002
Fig 17: Audio System (12 Speaker), Back Guide Monitor System (12 Speaker), Navigation System (12 Speaker) (17 Of 20)
G12240543Courtesy of © TOYOTA, LICENSE AGREEMENT TMS1002
Fig 18: Audio System (12 Speaker), Back Guide Monitor System (12 Speaker), Navigation System (12 Speaker) (18 Of 20)
G12240544Courtesy of © TOYOTA, LICENSE AGREEMENT TMS1002
Fig 19: Audio System (12 Speaker), Back Guide Monitor System (12 Speaker), Navigation System (12 Speaker) (19 Of 20)
G12240545Courtesy of © TOYOTA, LICENSE AGREEMENT TMS1002
Fig 20: Audio System (12 Speaker), Back Guide Monitor System (12 Speaker), Navigation System (12 Speaker) (20 Of 20)
G12240546Courtesy of © TOYOTA, LICENSE AGREEMENT TMS1002